XMC4300
XMC4000 Family
Microcontroller Series for Industrial Applications
ARM®
Cortex®-M4
32-bit processor core
Datasheet
About this Document
This datasheet is addressed to embedded hardware and software developers. It provides the reader with detailed descriptions about the ordering designations, available features, electrical and physical characteristics of the XMC4300 series devices.
The document describes the characteristics of a superset of the XMC4300 series devices. For simplicity, the various device types are referred to by the collective term XMC4300 throughout this manual.
XMC4000 Family User Documentation
The set of user documentation includes:
Reference Manual
describes the functionality of the superset of devices.
Datasheets
list the complete ordering designations, available features and electrical characteristics of derivative devices.
Errata Sheets
list deviations from the specifications given in the related Reference Manual or Datasheets. Errata Sheets are provided for the superset of devices.
Attention:
Please consult all parts of the documentation set to attain consolidated knowledge about your device.
Application related guidance is provided by
Users Guides
and
Application Notes
.
Please refer to
to get access to the latest versions of those documents.
Summary of Features
The XMC4300 devices are members of the XMC4000 Family of microcontrollers based on the ARM Cortex-M4 processor core. The XMC4000 is a family of high performance and energy efficient microcontrollers optimized for Industrial Connectivity, Industrial Control, Power Conversion, Sense & Control.
Figure 1. System Block Diagram
CPU Subsystem
CPU Core
High Performance 32-bit ARM Cortex-M4 CPU
16-bit and 32-bit Thumb2 instruction set
DSP/MAC instructions
System timer (SysTick) for Operating System support
Floating Point Unit
Memory Protection Unit
Nested Vectored Interrupt Controller
General Purpose DMA with up-to 8 channels
Event Request Unit (ERU) for programmable processing of external and internal service requests
Flexible CRC Engine (FCE) for multiple bit error detection
On-Chip Memories
16 KB on-chip boot ROM
64 KB on-chip high-speed program memory
64 KB on-chip high speed data memory
256 KB on-chip Flash Memory with 8 KB instruction cache
Communication Peripherals
Ethernet MAC module capable of 10/100 Mbit/s transfer rates
EtherCATSlave interface (ECAT) capable of 100 Mbit/s transfer rates with 2 MII ports, 8 Fieldbus Memory Management Units (FMMU), 8 Sync Manager, 64 bit distributed clocks
Universal Serial Bus, USB 2.0 host, Full-Speed OTG, with integrated PHY
Controller Area Network interface (MultiCAN), Full-CAN/Basic-CAN with 2 nodes, 64 message objects (MO), data rate up to 1 MBaud
Four Universal Serial Interface Channels (USIC),providing 4 serial channels, usable as UART, double-SPI, quad-SPI, IIC, IIS and LIN interfaces
LED and Touch-Sense Controller (LEDTS) for Human-Machine interface
SD and Multi-Media Card interface (SDMMC) for data storage memory cards
Analog Frontend Peripherals
Two Analog-Digital Converters (VADC) of 12-bit resolution, 8 channels each, with input out-of-range comparators
Digital-Analog Converter (DAC) with two channels of 12-bit resolution
Industrial Control Peripherals
One Capture/Compare Units 8 (CCU8) for motor control and power conversion
Two Capture/Compare Units 4 (CCU4) for use as general purpose timers
Window Watchdog Timer (WDT) for safety sensitive applications
Die Temperature Sensor (DTS)
Real Time Clock module with alarm support
System Control Unit (SCU) for system configuration and control
Input/Output Lines
Programmable port driver control module (PORTS)
Individual bit addressability
Tri-stated in input mode
Push/pull or open drain output mode
Boundary scan test support over JTAG interface
On-Chip Debug Support
Full support for debug features: 6 breakpoints, CoreSight, trace
Various interfaces: ARM-JTAG, SWD, single wire trace
Ordering Information
The ordering code for an Infineon microcontroller provides an exact reference to a specific product. The code “XMC4<DDD>-<Z><PPP><T><FFFF>” identifies:
<DDD> the derivatives function set
<Z> the package variant
E: LFBGA
F: LQFP
Q: VQFN
<PPP> package pin count
<T> the temperature range:
F: -40°C to 85°C
K: -40°C to 125°C
<FFFF> the Flash memory size
For ordering codes for the XMC4300 please contact your sales representative or local distributor.
This document describes several derivatives of the XMC4300 series, some descriptions may not apply to a specific product. Please see
Device Types
.
For simplicity the term
XMC4300
is used for all derivatives throughout this document.
Device Types
These device types are available and can be ordered through Infineon’s direct and/or distribution channels.
Derivative 1 | Package | Flash Kbytes | SRAM Kbytes |
|---|---|---|---|
XMC4300-F100x256 | PG-LQFP-100 | 256 | 128 |
Device Type Features
The following table lists the available features per device type.
Derivative 2 | LEDTS Intf. | SD MMC Intf. | ETH Intf. | ECAT Slave Intf. | USB Intf. | USIC Chan. | MultiCAN Nodes, MO |
|---|---|---|---|---|---|---|---|
XMC4300-F100x256 | 1 | 1 | RMII | 2 x MII | 1 | 2 x 2 | N0, N1 MO[0..63] |
Derivative 3 | ADC Chan. | DAC Chan. | CCU4 Slice | CCU8 Slice |
|---|---|---|---|---|
XMC4300-F100x256 | 16 | 2 | 2 x 4 | 1 x 4 |
Definition of Feature Variants
The XMC4300 types are offered with several memory sizes and number of available VADC channels. Table 4 describes the location of the available Flash memory, Table 5 describes the location of the available SRAMs, Table 6 the available VADC channels.
Total Flash Size | Cached Range | Uncached Range |
|---|---|---|
256 Kbytes | 0800 0000 – 0803 FFFF | 0C00 0000 – 0C03 FFFF |
Total SRAM Size | Program SRAM | System Data SRAM |
|---|---|---|
128 Kbytes | 1FFF 0000 – 1FFF FFFF | 2000 0000 – 2000 FFFF |
Package | VADC G0 | VADC G1 |
|---|---|---|
PG-LQFP-100 | CH0..CH7 | CH0..CH7 |
Identification Registers
The identification registers allow software to identify the marking.
Register Name | Value | Marking |
|---|---|---|
SCU_IDCHIP | 0004 3001 | AA |
JTAG IDCODE | 101D F083 | AA |
General Device Information
This section summarizes the logic symbols and package pin configurations with a detailed list of the functional I/O mapping.
Logic Symbols
Figure 2. XMC4300 Logic Symbol PG-LQFP-100
Pin Configuration and Definition
The following figures summarize all pins, showing their locations on the four sides of the different packages.
Figure 3. XMC4300 PG-LQFP-100 Pin Configuration (top view)
Package Pin Summary
The following general scheme is used to describe each pin:
Function | Package A | Package B | ... | Pad Type | Notes |
|---|---|---|---|---|---|
Name | N | Ax | ... | A2 |
The table is sorted by the “Function” column, starting with the regular Port pins (Px.y), followed by the dedicated pins (i.e. ) and supply pins.
The following columns, titled with the supported package variants, lists the package pin number to which the respective function is mapped in that package.
The “Pad Type” indicates the employed pad type (A1, A1+, A2, special=special pad, In=input pad, AN/ DIG_IN=analog and digital input, Power=power supply). Details about the pad properties are defined in the Electrical Parameters.
In the “Notes”, special information to the respective pin/function is given, that is deviations from the default configuration after reset. Per default the regular Port pins are configured as direct input with no internal pull device active.
Function | LQFP-100 | Pad Type | Notes |
|---|---|---|---|
P0.0 | 2 | A1+ | |
P0.1 | 1 | A1+ | |
P0.2 | 100 | A2 | |
P0.3 | 99 | A2 | |
P0.4 | 98 | A2 | |
P0.5 | 97 | A2 | |
P0.6 | 96 | A2 | |
P0.7 | 89 | A2 | After a system reset, via HWSEL this pin selects the DB.TDI function. |
P0.8 | 88 | A2 | After a system reset, via HWSEL this pin selects the function, with a weak pull-down active. |
P0.9 | 4 | A2 | |
P0.10 | 3 | A1+ | |
P0.11 | 95 | A1+ | |
P0.12 | 94 | A1+ | |
P1.0 | 79 | A1+ | |
P1.1 | 78 | A1+ | |
P1.2 | 77 | A2 | |
P1.3 | 76 | A2 | |
P1.4 | 75 | A1+ | |
P1.5 | 74 | A1+ | |
P1.6 | 83 | A2 | |
P1.7 | 82 | A2 | |
P1.8 | 81 | A2 | |
P1.9 | 80 | A2 | |
P1.10 | 73 | A1+ | |
P1.11 | 72 | A1+ | |
P1.12 | 71 | A2 | |
P1.13 | 70 | A2 | |
P1.14 | 69 | A2 | |
P1.15 | 68 | A2 | |
P2.0 | 52 | A2 | |
P2.1 | 51 | A2 | After a system reset, via HWSEL this pin selects the DB.TDO function. |
P2.2 | 50 | A2 | |
P2.3 | 49 | A2 | |
P2.4 | 48 | A2 | |
P2.5 | 47 | A2 | |
P2.6 | 54 | A1+ | |
P2.7 | 53 | A1+ | |
P2.8 | 46 | A2 | |
P2.9 | 45 | A2 | |
P2.10 | 44 | A2 | |
P2.14 | 41 | A2 | |
P2.15 | 40 | A2 | |
P3.0 | 7 | A2 | |
P3.1 | 6 | A2 | |
P3.2 | 5 | A2 | |
P3.3 | 93 | A1+ | |
P3.4 | 92 | A1+ | |
P3.5 | 91 | A2 | |
P3.6 | 90 | A2 | |
P4.0 | 85 | A2 | |
P4.1 | 84 | A2 | |
P5.0 | 58 | A1+ | |
P5.1 | 57 | A1+ | |
P5.2 | 56 | A1+ | |
P5.7 | 55 | A1+ | |
P14.0 | 31 | AN/DIG_IN | |
P14.1 | 30 | AN/DIG_IN | |
P14.2 | 29 | AN/DIG_IN | |
P14.3 | 28 | AN/DIG_IN | |
P14.4 | 27 | AN/DIG_IN | |
P14.5 | 26 | AN/DIG_IN | |
P14.6 | 25 | AN/DIG_IN | |
P14.7 | 24 | AN/DIG_IN | |
P14.8 | 37 | AN/DAC/DIG_IN | |
P14.9 | 36 | AN/DAC/DIG_IN | |
P14.12 | 23 | AN/DIG_IN | |
P14.13 | 22 | AN/DIG_IN | |
P14.14 | 21 | AN/DIG_IN | |
P14.15 | 20 | AN/DIG_IN | |
P15.2 | 19 | AN/DIG_IN | |
P15.3 | 18 | AN/DIG_IN | |
P15.8 | 39 | AN/DIG_IN | |
P15.9 | 38 | AN/DIG_IN | |
HIB_IO_0 | 14 | A1 special | At the first power-up and with every reset of the hibernate domain this pin is configured as open-drain output and drives "0". As output the medium driver mode is active. |
HIB_IO_1 | 13 | A1 special | At the first power-up and with every reset of the hibernate domain this pin is configured as input with no pull device active. As output the medium driver mode is active. |
USB_DP | 9 | special | |
USB_DM | 8 | special | |
TCK | 67 | A1 | Weak pull-down active. |
TMS | 66 | A1+ | Weak pull-up active. As output the strong-soft driver mode is active. |
65 | special | Weak pull-up permanently active, strong pull-down controlled by EVR. | |
XTAL1 | 61 | clock_IN | |
XTAL2 | 62 | clock_O | |
RTC_XTAL1 | 16 | clock_IN | |
RTC_XTAL2 | 15 | clock_O | |
VBAT | 17 | Power | When VDDP is supplied VBAT has to be supplied as well. |
VBUS | 10 | special | |
VAREF | 33 | AN_Ref | |
VAGND | 32 | AN_Ref | |
VDDA | 35 | AN_Power | |
VSSA | 34 | AN_Power | |
VDDC | 12 | Power | |
VDDC | 42 | Power | |
VDDC | 64 | Power | |
VDDC | 86 | Power | |
VDDP | 11 | Power | |
VDDP | 43 | Power | |
VDDP | 60 | Power | |
VDDP | 87 | Power | |
VSS | 59 | Power | |
VSSO | 63 | Power | |
VSS | Exp. Pad | Power | Exposed Die
Pad The exposed die pad is connected internally to VSS. For proper operation, it is mandatory to connect the exposed pad directly to the common ground on the board. For thermal aspects, please refer to the Datasheet. Board layout examples are given in an application note. |
Port I/O Functions
The following general scheme is used to describe each Port pin:
Function | Outputs | Inputs | ||||
|---|---|---|---|---|---|---|
ALT1 | ALTn | HWO0 | HWI0 | Input | Input | |
P0.0 | MODA.OUT | MODB.OUT | MODB.INA | MODC.INA | ||
Pn.y | MODA.OUT | MODA.INA | MODC.INB | |||
Figure 4. Simplified Port Structure
Pn.y is the port pin name, defining the control and data bits/registers associated with it. As GPIO, the port is under software control. Its input value is read via Pn_IN.y, Pn_OUT defines the output value.
Up to four alternate output functions (ALT1/2/3/4) can be mapped to a single port pin, selected by Pn_IOCR.PC. The output value is directly driven by the respective module, with the pin characteristics controlled by the port registers (within the limits of the connected pad).
The port pin input can be connected to multiple peripherals. Most peripherals have an input multiplexer to select between different possible input sources.
The input path is also active while the pin is configured as output. This allows to feedback an output to on-chip resources without wasting an additional external pin.
By Pn_HWSEL it is possible to select between different hardware “masters” (HWO0/HWI0). The selected peripheral can take control of the pin(s). Hardware control overrules settings in the respective port pin registers.
Port I/O Function Table
Function | Output | Input | ||||||||||||
|---|---|---|---|---|---|---|---|---|---|---|---|---|---|---|
ALT1 | ALT2 | ALT3 | ALT4 | HWO0 | HWI0 | Input | Input | Input | Input | Input | Input | Input | Input | |
P0.0 | ECAT0. PHY_RST | CAN. N0_TXD | CCU80. OUT21 | LEDTS0. COL2 | U1C1. DX0D | ETH0. CLK_RMIIB | ERU0. 0B0 | ETH0. CLKRXB | ||||||
P0.1 | USB. DRIVEVBUS | U1C1. DOUT0 | CCU80. OUT11 | LEDTS0. COL3 | ETH0. CRS_DVB | ERU0. 0A0 | ECAT0. P1_RX_CLA | ETH0. RXDVB | ||||||
P0.2 | ECAT0. P1_TXD2 | U1C1. SELO1 | CCU80. OUT01 | U1C0. DOUT3 | U1C0. HWIN3 | ETH0. RXD0B | ERU0. 3B3 | |||||||
P0.3 | ECAT0. P1_TXD3 | CCU80. OUT20 | U1C0. DOUT2 | U1C0. HWIN2 | ETH0. RXD1B | ERU1. 3B0 | ||||||||
P0.4 | ETH0. TX_EN | CCU80. OUT10 | U1C0. DOUT1 | U1C0. HWIN1 | U1C0. DX0A | ERU0. 2B3 | ECAT0. P1_RXD3A | |||||||
P0.5 | ETH0. TXD0 | U1C0. DOUT0 | CCU80. OUT00 | U1C0. DOUT0 | U1C0. HWIN0 | U1C0. DX0B | ERU1. 3A0 | ECAT0. P1_RXD2A | ||||||
P0.6 | ETH0. TXD1 | U1C0. SELO0 | CCU80. OUT30 | U1C0. DX2A | ERU0. 3B2 | CCU80. IN2B | ECAT0. P1_RXD1A | |||||||
P0.7 | WDT. SERVICE_OUT | U0C0. SELO0 | ECAT0. LED_ERR | DB. TDI | U0C0. DX2B | ERU0. 2B1 | CCU80. IN0A | CCU80. IN1A | CCU80. IN2A | CCU80. IN3A | ||||
P0.8 | SCU. EXTCLK | U0C0. SCLKOUT | ECAT0. LED_RUN | U0C0. DX1B | ERU0. 2A1 | CCU80. IN1B | ||||||||
P0.9 | U1C1. SELO0 | CCU80. OUT12 | LEDTS0. COL0 | ETH0. MDO | ETH0. MDIA | U1C1. DX2A | USB. ID | ERU0. 1B0 | ECAT0. P1_RX_DVA | |||||
P0.10 | ETH0. MDC | U1C1. SCLKOUT | CCU80. OUT02 | LEDTS0. COL1 | U1C1. DX1A | ERU0. 1A0 | ECAT0. P1_TX_CLA | |||||||
P0.11 | ECAT0. P1_LINK_ACT | U1C0. SCLKOUT | CCU80. OUT31 | ETH0. RXERB | U1C0. DX1A | ERU0. 3A2 | ECAT0. P1_RXD0A | |||||||
P0.12 | U1C1. SELO0 | CCU40. OUT3 | ECAT0. MDO | ECAT0. MDIA | U1C1. DX2B | ERU0. 2B2 | ||||||||
P1.0 | U0C0. SELO0 | CCU40. OUT3 | ERU1. PDOUT3 | U0C0. DX2A | ERU0. 3B0 | CCU40. IN3A | ECAT0. P0_TX_CLA | |||||||
P1.1 | U0C0. SCLKOUT | CCU40. OUT2 | ERU1. PDOUT2 | SDMMC. SDWC | U0C0. DX1A | ERU0. 3A0 | CCU40. IN2A | ECAT0. P0_RX_CLA | ||||||
P1.2 | ECAT0. P0_TXD3 | CCU40. OUT1 | ERU1. PDOUT1 | U0C0. DOUT3 | U0C0. HWIN3 | ERU1. 2B0 | CCU40. IN1A | |||||||
P1.3 | ECAT0. P0_TX_ENA | U0C0. MCLKOUT | CCU40. OUT0 | ERU1. PDOUT0 | U0C0. DOUT2 | U0C0. HWIN2 | ERU1. 2A0 | CCU40. IN0A | ||||||
P1.4 | WDT. SERVICE_OUT | CAN. N0_TXD | CCU80. OUT33 | U0C0. DOUT1 | U0C0. HWIN1 | U0C0. DX0B | CAN. N1_RXDD | ERU0. 2B0 | CCU41. IN0C | ECAT0. P0_RXD0A | ||||
P1.5 | CAN. N1_TXD | U0C0. DOUT0 | CCU80. OUT23 | U0C0. DOUT0 | U0C0. HWIN0 | U0C0. DX0A | CAN. N0_RXDA | ERU0. 2A0 | ERU1. 0A0 | CCU41. IN1C | ECAT0. P0_RXD1A | |||
P1.6 | ECAT0. P0_TXD0 | U0C0. SCLKOUT | SDMMC. DATA1_OUT | SDMMC. DATA1_IN | ||||||||||
P1.7 | ECAT0. P0_TXD1 | U0C0. DOUT0 | U1C1. SELO2 | SDMMC. DATA2_OUT | SDMMC. DATA2_IN | |||||||||
P1.8 | ECAT0. P0_TXD2 | U0C0. SELO1 | U1C1. SCLKOUT | SDMMC. DATA4_OUT | SDMMC. DATA4_IN | |||||||||
P1.9 | U0C0. SCLKOUT | U1C1. DOUT0 | SDMMC. DATA5_OUT | SDMMC. DATA5_IN | ECAT0. P0_RX_DVA | |||||||||
P1.10 | ETH0. MDC | U0C0. SCLKOUT | ECAT0. LED_ERR | CCU41. IN2C | ECAT0. P0_RXD2A | |||||||||
P1.11 | ECAT0. LED_STATE_R UN | U0C0. SELO0 | ECAT0. LED_RUN | ETH0. MDO | ETH0. MDIC | CCU41. IN3C | ECAT0. P0_RXD3A | |||||||
P1.12 | ETH0. TX_EN | CAN. N1_TXD | ECAT0. P0_LINK_ACT | SDMMC. DATA6_OUT | SDMMC. DATA6_IN | |||||||||
P1.13 | ETH0. TXD0 | U0C1. SELO3 | ECAT0. PHY_CLK25 | SDMMC. DATA7_OUT | SDMMC. DATA7_IN | CAN. N1_RXDC | ||||||||
P1.14 | ETH0. TXD1 | U0C1. SELO2 | ECAT0. SYNC0 | U1C0. DX0E | ||||||||||
P1.15 | SCU. EXTCLK | U1C0. DOUT0 | ERU1. 1A0 | ECAT0. P0_LINKB | ||||||||||
P2.0 | CAN. N0_TXD | LEDTS0. COL1 | ETH0. MDO | ETH0. MDIB | ERU0. 0B3 | CCU40. IN1C | ||||||||
P2.1 | LEDTS0. COL0 | DB.TDO/TRACESWO | ETH0. CLK_RMIIA | ERU1. 0B0 | CCU40. IN0C | ETH0. CLKRXA | ||||||||
P2.2 | VADC. EMUX00 | CCU41. OUT3 | LEDTS0. LINE0 | LEDTS0. EXTENDED0 | LEDTS0. TSIN0A | ETH0. RXD0A | U0C1. DX0A | ERU0. 1B2 | CCU41. IN3A | |||||
P2.3 | VADC. EMUX01 | U0C1. SELO0 | CCU41. OUT2 | LEDTS0. LINE1 | LEDTS0. EXTENDED1 | LEDTS0. TSIN1A | ETH0. RXD1A | U0C1. DX2A | ERU0. 1A2 | CCU41. IN2A | ||||
P2.4 | VADC. EMUX02 | U0C1. SCLKOUT | CCU41. OUT1 | LEDTS0. LINE2 | LEDTS0. EXTENDED2 | LEDTS0. TSIN2A | ETH0. RXERA | U0C1. DX1A | ERU0. 0B2 | CCU41. IN1A | ||||
P2.5 | ETH0. TX_EN | U0C1. DOUT0 | CCU41. OUT0 | LEDTS0. LINE3 | LEDTS0. EXTENDED3 | LEDTS0. TSIN3A | ETH0. RXDVA | U0C1. DX0B | ERU0. 0A2 | CCU41. IN0A | ETH0. CRS_DVA | |||
P2.6 | ERU1. PDOUT3 | CCU80. OUT13 | LEDTS0. COL3 | CAN. N1_RXDA | ERU0. 1B3 | CCU40. IN3C | ECAT0. P0_RX_ERRB | |||||||
P2.7 | ETH0. MDC | CAN. N1_TXD | CCU80. OUT03 | LEDTS0. COL2 | ERU1. 1B0 | CCU40. IN2C | ||||||||
P2.8 | ETH0. TXD0 | ERU1. PDOUT1 | CCU80. OUT32 | LEDTS0. LINE4 | LEDTS0. EXTENDED4 | LEDTS0. TSIN4A | DAC. TRIGGER5 | CCU40. IN0B | CCU40. IN1B | CCU40. IN2B | CCU40. IN3B | |||
P2.9 | ETH0. TXD1 | ERU1. PDOUT2 | CCU80. OUT22 | LEDTS0. LINE5 | LEDTS0. EXTENDED5 | LEDTS0. TSIN5A | DAC. TRIGGER4 | CCU41. IN0B | CCU41. IN1B | CCU41. IN2B | CCU41. IN3B | |||
P2.10 | VADC. EMUX10 | ERU1. PDOUT0 | ECAT0. PHY_RST | ECAT0. SYNC1 | ||||||||||
P2.14 | VADC. EMUX11 | U1C0. DOUT0 | CCU80. OUT21 | U1C0. DX0D | ||||||||||
P2.15 | VADC. EMUX12 | ECAT0. P1_TXD3 | CCU80. OUT11 | LEDTS0. LINE6 | LEDTS0. EXTENDED6 | LEDTS0. TSIN6A | ETH0. COLA | U1C0. DX0C | ||||||
P3.0 | U0C1. SCLKOUT | ECAT0. P1_TX_ENA | U0C1. DX1B | CCU80. IN2C | ||||||||||
P3.1 | U0C1. SELO0 | ECAT0. P1_TXD0 | U0C1. DX2B | ERU0. 0B1 | CCU80. IN1C | |||||||||
P3.2 | USB. DRIVEVBUS | CAN. N0_TXD | ECAT0. P1_TXD1 | LEDTS0. COLA | ERU0. 0A1 | CCU80. IN0C | ||||||||
P3.3 | U1C1. SELO1 | ECAT0. MCLK | SDMMC. LED | CCU80. IN3B | ||||||||||
P3.4 | U1C1. SELO2 | SDMMC. BUS_POWER | CCU80. IN0B | ECAT0. P1_LINA | ||||||||||
P3.5 | U1C1. SELO3 | U0C1. DOUT0 | SDMMC. CMD_OUT | SDMMC. CMD_IN | ERU0. 3B1 | ECAT0. P1_RX_ERRA | ||||||||
P3.6 | U1C1. SELO4 | U0C1. SCLKOUT | SDMMC. CLK_OUT | SDMMC. CLK_IN | ERU0. 3A1 | |||||||||
P4.0 | ECAT0. PHY_CLK25 | U1C0. SCLKOUT | SDMMC. DATA0_OUT | SDMMC. DATA0_IN | U1C1. DX1C | U0C1. DX0E | ECAT0. P0_RX_ERRA | |||||||
P4.1 | U1C1. MCLKOUT | U0C1. SELO0 | SDMMC. DATA3_OUT | SDMMC. DATA3_IN | ECAT0. P0_LINA | |||||||||
P5.0 | ERU1. PDOUT0 | ETH0. RXD0D | U0C0. DX0D | ECAT0. P0_RXD0B | ||||||||||
P5.1 | U0C0. DOUT0 | ERU1. PDOUT1 | ETH0. RXD1D | ECAT0. P0_RXD1B | ||||||||||
P5.2 | ECAT0. P0_LINK_ACT | ERU1. PDOUT2 | ETH0. CRS_DVD | ECAT0. P0_RXD2B | ETH0. RXDVD | |||||||||
P5.7 | ECAT0. SYNC0 | LEDTS0. COLA | ECAT0. P0_RXD3B | |||||||||||
P14.0 | VADC. G0CH0 | |||||||||||||
P14.1 | VADC. G0CH1 | |||||||||||||
P14.2 | VADC. G0CH2 | VADC. G1CH2 | ||||||||||||
P14.3 | VADC. G0CH3 | VADC. G1CH3 | CAN. N0_RXDB | |||||||||||
P14.4 | VADC. G0CH4 | ECAT0. LATCH1A | ||||||||||||
P14.5 | VADC. G0CH5 | ECAT0. LATCH0A | ||||||||||||
P14.6 | VADC. G0CH6 | G0ORC6 | ECAT0. P1_RX_CLKB | |||||||||||
P14.7 | VADC. G0CH7 | G0ORC7 | ECAT0. P1_RXD0B | |||||||||||
P14.8 | DAC. OUT_0 | VADC. G1CH0 | ETH0. RXD0C | |||||||||||
P14.9 | DAC. OUT_1 | VADC. G1CH1 | ETH0. RXD1C | |||||||||||
P14.12 | VADC. G1CH4 | ECAT0. P1_RXD1B | ||||||||||||
P14.13 | VADC. G1CH5 | ECAT0. P1_RXD2B | ||||||||||||
P14.14 | VADC. G1CH6 | G1ORC6 | ECAT0. P1_RXD3B | |||||||||||
P14.15 | VADC. G1CH7 | G1ORC7 | ECAT0. P1_RX_DVB | |||||||||||
P15.2 | ECAT0. P1_RX_ERRB | |||||||||||||
P15.3 | ECAT0. P1_LINKB | |||||||||||||
P15.8 | ETH0. CLK_RMIIC | ETH0. CLKRXC | ||||||||||||
P15.9 | ETH0. CRS_DVC | ETH0. RXDVC | ||||||||||||
HIB_IO_0 | HIBOUT | WDT. SERVICE_OUT | AKEUPA | |||||||||||
HIB_IO_1 | HIBOUT | WDT. SERVICE_OUT | AKEUPB | |||||||||||
USB_DP | ||||||||||||||
USB_DM | ||||||||||||||
TCK | DB.TC/SCLK | |||||||||||||
TMS | DB.TMS/SWDIO | |||||||||||||
XTAL1 | U0C0. DX0F | U0C1. DX0F | U1C0. DX0F | U1C1. DX0F | ||||||||||
XTAL2 | ||||||||||||||
RTC_XTAL1 | ERU0. 1B1 | |||||||||||||
RTC_XTAL2 | ||||||||||||||
Power Connection Scheme
shows a reference power connection scheme for the XMC4300.
Figure 5. Power Connection Scheme
Every power supply pin needs to be connected. Different pins of the same supply need also to be externally connected. As example, all VDDP pins must be connected externally to one VDDP net. In this reference scheme one 100 nF capacitor is connected at each supply pin against VSS . An additional 10 µF capacitor is connected to the VDDP nets and an additional 10 uF capacitor to the VDDP nets.
The XMC4300 has a common ground concept, all VSS , VSSA and VSSO pins share the same ground potential. In packages with an exposed die pad it must be connected to the common ground as well.
VAGND is the low potential to the analog reference VAREF . Depending on the application it can share the common ground or have a different potential. In devices with shared VDDA / VAREF and VSSA / VAGND pins the reference is tied to the supply. Some analog channels can optionally serve as “Alternate Reference”; further details on this operating mode are described in the Reference Manual.
When VDDP is supplied, VBAT must be supplied as well. If no other supply source (e.g. battery) is connected to VBAT , the VBAT pin can also be connected directly to VDDP .
Electrical Parameters
Attention:
All parameters in this chapter are preliminary target values and may change based on characterization results.
General Parameters
Parameter Interpretation
The parameters listed in this section partly represent the characteristics of the XMC4300 and partly its requirements on the system. To aid interpreting the parameters easily when evaluating them for a design, they are marked with a two-letter abbreviation in column “Symbol”:
CC
Such parameters indicate
C
ontroller
C
haracteristics, which are a distinctive feature of the XMC4300 and must be regarded for system design
SR
Such parameters indicate
S
ystem
R
equirements, which must be provided by the application system in which the XMC4300 is designed in
Absolute Maximum Ratings
Stresses above the values listed under “Absolute Maximum Ratings” may cause permanent damage to the device. This is a stress rating only and functional operation of the device at these or any other conditions above those indicated in the operational sections of this specification is not implied. Exposure to absolute maximum rating conditions may affect device reliability.
Parameter | Symbol | Values | Unit | Note/Test Condition | ||
|---|---|---|---|---|---|---|
Min. | Typ. | Max. | ||||
Storage temperature | TST SR | -65 | – | 150 | °C | – |
Junction temperature | TJ SR | -40 | – | 150 | °C | – |
Voltage at 3.3 V power supply pins with respect to VSS | VDDP SR | – | – | 4.3 | V | – |
Voltage on any Class A and dedicated input pin with respect to VSS | VIN SR | -1.0 | – | VDDP + 1.0 or max. 4.3 | V | whichever is lower |
Voltage on any analog input pin with respect to VAGND | VAIN VAREF SR | -1.0 | – | VDDP + 1.0 or max. 4.3 | V | whichever is lower |
Input current on any pin during overload condition | IIN SR | -10 | – | +10 | mA | |
Absolute maximum sum of all input circuit currents for one port group during overload condition 5 | Σ IIN SR | -25 | – | +25 | mA | |
Absolute maximum sum of all input circuit currents during overload condition | Σ IIN SR | -100 | – | +100 | mA | |
explains the input voltage ranges of VIN and VAIN and its dependency to the supply level of VDDP . The input voltage must not exceed 4.3 V, and it must not be more than 1.0 V above VDDP . For the range up to VDDP + 1.0 V also see the definition of the overload conditions in
Pin Reliability in Overload
.
Figure 6. Absolute Maximum Input Voltage Ranges
Pin Reliability in Overload
When receiving signals from higher voltage devices, low-voltage devices experience overload currents and voltages that go beyond their own IO power supplies specification.
defines overload conditions that will not cause any negative reliability impact if all the following conditions are met:
full operation life-time is not exceeded
Operating Conditions
are met for
pad supply levels ( VDDP or VDDA )
temperature
If a pin current is outside of the
Operating Conditions
but within the overload conditions, then the parameters of this pin as stated in the Operating Conditions can no longer be guaranteed. Operation is still possible in most cases but with relaxed parameters.
Note:
An overload condition on one or more pins does not require a reset.
Note:
A series resistor at the pin to limit the current to the maximum permitted overload current is sufficient to handle failure situations like short to battery.
Parameter | Symbol | Values | Unit | Note/Test Condition | ||
|---|---|---|---|---|---|---|
Min. | Typ. | Max. | ||||
Input current on any port pin during overload condition | IOV SR | -5 | – | 5 | mA | |
Absolute sum of all input circuit currents for one port group during overload condition 6 | IOVG SR | – | – | 20 | mA | Σ|IOVx|, for all IOVx < 0 mA |
– | – | 20 | mA | Σ|IOVx|, for all IOVx > 0 mA | ||
Absolute sum of all input circuit currents during overload condition | IOVS SR | – | – | 80 | mA | Σ IOVG |
shows the path of the input currents during overload via the ESD protection structures. The diodes against VDDP and ground are a simplified representation of these ESD protection structures.
Figure 7. Input Overload Current via ESD structures
and
Table 15
list input voltages that can be reached under overload conditions. Note that the absolute maximum input voltages as defined in the
Absolute Maximum Ratings
must not be exceeded during overload.
Pad Type | IOV = 5 mA, TJ = -40°C | IOV = 5 mA, TJ = 150°C |
|---|---|---|
A1/A1+ | VIN = VDDP + 1.0 V | VIN = VDDP + 0.75 V |
A2 | VIN = VDDP + 0.7 V | VIN = VDDP + 0.6 V |
AN/DIG_IN | VIN = VDDP + 1.0 V | VIN = VDDP + 0.75 V |
Pad Type | IOV = 5 mA, TJ = -40°C | IOV = 5 mA, TJ = 150°C |
|---|---|---|
A1/A1+ | VIN = VSS - 1.0 V | VIN = VSS - 0.75 V |
A2 | VIN = VSS - 0.7 V | VIN = VSS - 0.6 V |
AN/DIG_IN | VIN = VDDP - 1.0 V | VIN = VDDP - 0.75 V |
Group | Pins |
|---|---|
1 | P0.[12:0], P3.[6:0] |
2 | P14.[15:0], P15.[9:2] |
3 | P2.[15:0], P5.[7:0] |
4 | P1.[15:0], P4.[1:0] |
Pad Driver and Pad Classes Summary
This section gives an overview on the different pad driver classes and their basic characteristics.
Class | Power Supply | Type | Sub-Class | Speed Grade | Load | Termination |
|---|---|---|---|---|---|---|
| A | 3.3 V | LVTTL I/O, | A1 (e.g. GPIO) | 6 MHz | 100 pF | No |
A1+ (e.g. serial I/Os) | 25 MHz | 50 pF | Series termination recommended | |||
A2 (e.g. ext. Bus) | 80 MHz | 15 pF | Series termination recommended |
Figure 8. Output Slopes with different Pad Driver Modes
is a qualitative display of the resulting output slope performance with different output driver modes. The detailed input and output characteristics are listed in
Input/Output Pins
.
Operating Conditions
The following operating conditions must not be exceeded in order to ensure correct operation and reliability of the XMC4300. All parameters specified in the following sections refer to these operating conditions, unless noted otherwise.
Parameter | Symbol | Values | Unit | Note/Test Condition | ||
|---|---|---|---|---|---|---|
Min. | Typ. | Max. | ||||
Ambient Temperature | TA SR | -40 | – | 85 | °C | Temp. Range F |
-40 | – | 125 | °C | Temp. Range K | ||
Digital supply voltage | VDDP SR | 3.13 | 3.3 | 3.63 | V | |
Core Supply Voltage | VDDC CC | 7 | 1.3 | – | V | Generated internally |
Digital ground voltage | VSS SR | 0 | – | – | V | |
ADC analog supply voltage | VDDA SR | 3.0 | 3.3 | 3.6 8 | V | |
Analog ground voltage for VDDA | VSSA SR | -0.1 | 0 | 0.1 | V | |
Battery Supply Voltage for Hibernate Domain | VBAT SR | 1.95 9 | – | 3.63 | V | When VDDP is supplied VBAT has to be supplied as well. |
System Frequency | fSYS SR | – | – | 144 | MHz | |
Short circuit current of digital outputs | ISC SR | -5 | – | 5 | mA | |
Absolute sum of short circuit currents per pin group 10 | Σ ISC_PG SR | – | – | 20 | mA | |
Absolute sum of short circuit currents of the device | Σ ISC_D SR | – | – | 100 | mA | |
DC Parameters
Input/Output Pins
The digital input stage of the shared analog/digital input pins is identical to the input stage of the standard digital input/output pins.
The Pull-up on the pin is identical to the Pull-up on the standard digital input/output pins.
Note:
These parameters are not subject to production test, but verified by design and/or characterization.
Parameter | Symbol | Values | Unit | Note/Test Condition | |
|---|---|---|---|---|---|
Min. | Max. | ||||
Pin capacitance (digital inputs/outputs) | CIO CC | – | 10 | pF | |
Pull-down current | | IPDL | SR | 150 | – | μA | VIN ≥ 0.6 × VDDP |
– | 10 | μA | VIN ≤ 0.36 × VDDP | ||
Pull-up current | | IPUH | SR | – | 10 | μA | 12 VIN ≥ 0.6 × VDDP |
100 | – | μA | 11 VIN ≤ 0.36 × VDDP | ||
Input Hysteresis for pads of all A classes 13 | HYSA CC | 0.1 × VDDP | – | V | |
| spike filter always blocked pulse duration | tSF1 CC | – | 10 | ns | |
| spike filter pass-through pulse duration | tSF2 CC | 100 | – | ns | |
| pull-down current | | IPPD | CC | 13 | – | mA | VIN = 1.0 V |
Figure 9. Pull Device Input Characteristics
visualizes the input characteristics with an active internal pull device:
in the cases “A” the internal pull device is overridden by a strong external driver;
in the cases “B” the internal pull device defines the input logical state against a weak external load
Parameter | Symbol | Values | Unit | Note/Test Condition | |
|---|---|---|---|---|---|
Min. | Max. | ||||
Input leakage current | IOZA1 CC | -500 | 500 | nA | 0 V ≤ VIN ≤ VDDP |
Input high voltage | VIHA1 SR | 0.6 × VDDP | VDDP + 0.3 | V | max. 3.6 V |
Input low voltage | VILA1 SR | -0.3 | 0.36 × VDDP | V | |
Output high voltage, POD = weak | VOHA1 CC | VDDP - 0.4 | – | V | IOH ≥ -400 μA |
2.4 | – | V | IOH ≥ -500 μA | ||
Output high voltage, POD 14 = medium | VDDP - 0.4 | – | V | IOH ≥ -1.4 mA | |
2.4 | – | V | IOH ≥ -2 mA | ||
Output low voltage | VOLA1 CC | – | 0.4 | V | IOL ≤ 500 μA; POD 14 = weak |
– | 0.4 | V | IOL ≤ 2 mA; POD 14 = medium | ||
Fall time | tFA1 CC | – | 150 | ns | CL = 20 pF; POD 14 = weak |
– | 50 | ns | CL = 50 pF; POD 14 = medium | ||
Rise time | tRA1 CC | – | 150 | ns | CL = 20 pF; POD 14 = weak |
– | 50 | ns | CL = 50 pF; POD 14 = medium | ||
Parameter | Symbol | Values | Unit | Note/Test Condition | |
|---|---|---|---|---|---|
Min. | Max. | ||||
Input leakage current | IOZA1+ CC | -1 | 1 | µA | 0 V ≤ VIN ≤ VDDP |
Input high voltage | VIHA1+ SR | 0.6 × VDDP | VDDP + 0.3 | V | max. 3.6 V |
Input low voltage | VILA1+ SR | -0.3 | 0.36 × VDDP | V | |
Output high voltage, POD = weak | VOHA1+ CC | VDDP - 0.4 | – | V | IOH ≥ -400 μA |
2.4 | – | V | IOH ≥ -500 μA | ||
Output high voltage, POD 15 = medium | VDDP - 0.4 | – | V | IOH ≥ -1.4 mA | |
2.4 | – | V | IOH ≥ -2 mA | ||
Output high voltage, POD 15 = strong | VDDP - 0.4 | – | V | IOH ≥ -1.4 mA | |
2.4 | – | V | IOH ≥ -2 mA | ||
Output low voltage | VOLA1+ CC | – | 0.4 | V | IOL ≤ 500 μA; POD 15 = weak |
– | 0.4 | V | IOL ≤ 2 mA; POD 15 = medium | ||
– | 0.4 | V | IOL ≤ 2 mA; POD 15 = strong | ||
Fall time | tFA1+ CC | – | 150 | ns | CL = 20 pF; POD 15 = weak |
– | 50 | ns | CL = 50 pF; POD 15 = medium | ||
– | 28 | ns | CL = 50 pF; POD 15 = strong; edge = slow | ||
– | 16 | ns | CL = 50 pF; POD 15 = strong; edge = soft; | ||
Rise time | tRA1+ CC | – | 150 | ns | CL = 20 pF; POD 15 = weak |
– | 50 | ns | CL = 50 pF; POD 15 = medium | ||
– | 28 | ns | CL = 50 pF; POD 15 = strong; edge = slow | ||
– | 16 | ns | CL = 50 pF; POD 15 = strong; edge = soft | ||
Parameter | Symbol | Values | Unit | Note/Test Condition | |
|---|---|---|---|---|---|
Min. | Max. | ||||
Input Leakage current | IOZA2 CC | -6 | 6 | µA | 0 V ≤ VIN < 0.5*VDDP - 1 V; 0.5*VDDP + 1 V < VIN ≤ VDDP |
-3 | 3 | µA | 0.5*VDDP - 1 V < VIN < 0.5*VDDP + 1 V | ||
Input high voltage | VIHA2 SR | 0.6 × VDDP | VDDP + 0.3 | V | max. 3.6 V |
Input low voltage | VILA2 SR | -0.3 | 0.36 × VDDP | V | |
Output high voltage, POD = weak | VOHA2 CC | VDDP - 0.4 | – | V | IOH ≥ -400 μA |
2.4 | – | V | IOH ≥ -500 μA | ||
Output high voltage, POD = medium | VDDP - 0.4 | – | V | IOH ≥ -1.4 mA | |
2.4 | – | V | IOH ≥ -2 mA | ||
Output high voltage, POD = strong | VDDP - 0.4 | – | V | IOH ≥ -1.4 mA | |
2.4 | – | V | IOH ≥ -2 mA | ||
Output low voltage, POD = weak | VOLA2 CC | – | 0.4 | V | IOL ≤ 500 μA |
Output low voltage, POD = medium | – | 0.4 | V | IOL ≤ 2 mA | |
Output low voltage, POD = strong | – | 0.4 | V | IOL ≤ 2 mA | |
Fall time | tFA2 CC | – | 150 | ns | CL = 20 pF; POD = weak |
– | 50 | ns | CL = 50 pF; POD = medium | ||
– | 3.7 | ns | CL = 50 pF; POD = strong; edge = sharp | ||
– | 7 | ns | CL = 50 pF; POD = strong; edge = medium | ||
– | 16 | ns | CL = 50 pF; POD = strong; edge = soft | ||
Rise time | tRA2 CC | – | 150 | ns | CL = 20 pF; POD = weak |
– | 50 | ns | CL = 50 pF; POD = medium | ||
– | 3.7 | ns | CL = 50 pF; POD = strong; edge = sharp | ||
– | 7.0 | ns | CL = 50 pF; POD = strong; edge = medium | ||
– | 16 | ns | CL = 50 pF; POD = strong; edge = soft | ||
Parameter | Symbol | Values | Unit | Note/Test Condition | |
|---|---|---|---|---|---|
Min. | Max. | ||||
Input leakage current | IOZHIB CC | -500 | 500 | nA | 0 V ≤ VIN ≤ VBAT |
Input high voltage | VIHHIB SR | 0.6 × VBAT | VBAT + 0.3 | V | max. 3.6 V |
Input low voltage | VILHIB SR | -0.3 | 0.36 × VBAT | V | |
Input Hysteresis for HIB_IO pins | HYSHIB CC | 0.1 × VBAT | – | V | VBAT ≥ 3.13 V |
0.06 × VBAT | – | V | VBAT < 3.13 V | ||
Output high voltage, POD 16 = medium | VOHHIB CC | VBAT - 0.4 | – | V | IOH ≥ -1.4 mA |
Output low voltage | VOLHIB CC | – | 0.4 | V | IOL ≤ 2 mA |
Fall time | tFHIB CC | – | 50 | ns | VBAT ≥ 3.13 V CL = 50 pF |
– | 100 | ns | VBAT < 3.13 V CL = 50 pF | ||
Rise time | tRHIB CC | – | 50 | ns | VBAT ≥ 3.13 V CL = 50 pF |
– | 100 | ns | VBAT < 3.13 V CL = 50 pF | ||
Analog to Digital Converters (VADC)
Note:
These parameters are not subject to production test, but verified by design and/or characterization.
Parameter | Symbol | Values | Unit | Note/Test Condition | ||
|---|---|---|---|---|---|---|
Min. | Typ. | Max. | ||||
Analog reference voltage | VAREF SR | VAGND+1 | – | VDDA+0.0518 | V | |
Analog reference ground 17 | VAGND SR | VSSM- 0.05 | – | VAREF- 1 | V | |
Analog reference voltage range 17 19 | VAREF-VAGND SR | 1 | – | VDDA+ 0.1 | V | |
Analog input voltage | VAIN SR | VAGND | – | VDDA | V | |
Input leakage at analog inputs 20 | IOZ1 CC | -100 | – | 200 | nA | 0.03 × VDDA < VAIN < 0.97 × VDDA |
-500 | – | 100 | nA | 0 V ≤ VAIN ≤ 0.03 × VDDA | ||
-100 | – | 500 | nA | 0.97 × VDDA ≤ VAIN ≤ VDDA | ||
Input leakage current at VAREF | IOZ2 CC | -1 | – | 1 | μA | 0 V ≤ VAREF ≤ VDDA |
Input leakage current at VAGND | IOZ3 CC | -1 | – | 1 | μA | 0 V ≤ VAGND ≤ VDDA |
Internal ADC clock | fADCI CC | 2 | – | 36 | MHz | VDDA = 3.3 V |
Switched capacitance at the analog voltage inputs 21 | CAINSW CC | – | 4 | 6.5 | pF | |
Total capacitance of an analog input | CAINTOT CC | – | 12 | 20 | pF | |
Switched capacitance at the positive reference voltage input 17 22 | CAREFSW CC | – | 15 | 30 | pF | |
Total capacitance of the voltage reference inputs 17 | CAREFTOT CC | – | 20 | 40 | pF | |
Total Unadjusted Error | TUE CC | -4 | – | 4 | LSB | 12-bit resolution; VDDA = 3.3 V; VAREF = VDDA23 |
Differential Non-Linearity Error | EADNL CC | -3 | – | 3 | LSB | |
Gain Error 24 | EAGAIN CC | -4 | – | 4 | LSB | |
Integral Non-Linearity 24 | EAINLCC | -3 | – | 3 | LSB | |
Offset Error 24 | EAOFF CC | -4 | – | 4 | LSB | |
RMS Noise 25 | ENRMS CC | – | 1 | LSB | ||
Worst case ADC VDDA power supply current per active converter | IDDAA CC | – | 1.5 | 2 | mA | during conversion VDDP = 3.6 V, TJ = 150°C |
Charge consumption on VAREF per conversion 17 | QCONV CC | – | 30 | – | pC | 0 V ≤ VAREF ≤ VDDA28 |
ON resistance of the analog input path | RAIN CC | – | 600 | 1200 | Ohm | |
ON resistance for the ADC test (pull down for AIN7) | RAIN7T CC | 180 | 550 | 900 | Ohm | |
Resistance of the reference voltage input path | RAREF CC | – | 700 | 1700 | Ohm | |
Figure 10. VADC Reference Voltage Range
The power-up calibration of the VADC requires a maximum number of 4352 fADCI cycles.
Figure 11. VADC Input Circuits
Figure 12. VADC Analog Input Leakage Current
Conversion Time
Parameter | Symbol | Values | Unit | Note |
|---|---|---|---|---|
Conversion time | tC CC | 2 × TADC + (2 + N + STC + PC + DM) × TADCI | µs | N = 8, 10, 12 for N-bit conversion TADC = 1/fPERIPH TADCI = 1/fADCI |
STC defines additional clock cycles to extend the sample time
PC adds two cycles if post-calibration is enabled
DM adds one cycle for an extended conversion time of the MSB
Conversion Time Examples
System assumptions:
fADC = 144 MHz that is tADC = 6.9 ns, DIVA = 3, fADCI = 36 MHz that is tADCI = 27.8 ns
According to the given formulas the following minimum conversion times can be achieved (STC = 0, DM = 0):
12-bit post-calibrated conversion (PC = 2):
tCN12C = (2 + 12 + 2) × tADCI + 2 × tADC = 16 × 27.8 ns + 2 × 6.9 ns = 459 ns
12-bit uncalibrated conversion:
tCN12 = (2 + 12) × tADCI + 2 × tADC = 14 × 27.8 ns + 2 × 6.9 ns = 403 ns
10-bit uncalibrated conversion:
tCN10 = (2 + 10) × tADCI + 2 × tADC = 12 × 27.8 ns + 2 × 6.9 ns = 348 ns
8-bit uncalibrated:
tCN8 = (2 + 8) × tADCI + 2 × tADC = 10 × 27.8 ns + 2 × 6.9 ns = 292 ns
Digital to Analog Converters (DAC)
Note:
These parameters are not subject to production test, but verified by design and/or characterization.
Parameter | Symbol | Values | Unit | Note/Test Condition | ||
|---|---|---|---|---|---|---|
Min. | Typ. | Max. | ||||
RMS supply current | IDD CC | – | 2.5 | 4 | mA | per active DAC channel, without load currents of DAC outputs |
Resolution | RES CC | – | 12 | – | Bit | |
Update rate | fURATE_A CC | – | 2 | Msample/s | data rate, where DAC can follow 64 LSB code jumps to ± 1LSB accuracy | |
Update rate | fURATE_F CC | – | 5 | Msample/s | data rate, where DAC can follow 64 LSB code jumps to ± 4 LSB accuracy | |
Settling time | tSETTLE CC | – | 1 | 2 | μs | at full scale jump, output voltage reaches target value ± 20 LSB |
Slew rate | SR CC | 2 | 5 | – | V/μs | |
Minimum output voltage | VOUT_MIN CC | – | 0.3 | – | V | code value unsigned: 000; signed: 800 |
Maximum output voltage | VOUT_MAX CC | – | 2.5 | – | V | code value unsigned: FFF; signed: 7FF |
Integral non-linearity | INL CC | -5.5 | ±2.5 | 5.5 | LSB | RL ≥ 5 kOhm, CL ≤ 50 pF |
Differential non-linearity | DNL CC | -2 | ±1 | 2 | LSB | RL ≥ 5 kOhm, CL ≤ 50 pF |
Offset error | EDOFF CC | ±20 | mV | |||
Gain error | EDG_IN CC | -6.5 | -1.5 | 3 | % | |
Startup time | tSTARTUP CC | – | 15 | 30 | µs | time from output enabling till code valid ±16 LSB |
3dB Bandwidth of Output Buffer | fC1 CC | 2.5 | 5 | – | MHz | verified by design |
Output sourcing current | IOUT_SOURCE CC | – | -30 | – | mA | |
Output sinking current | IOUT_SINK CC | – | 0.6 | – | mA | |
Output resistance | ROUT CC | – | 50 | – | Ohm | |
Load resistance | RL SR | 5 | – | – | kOhm | |
Load capacitance | CL SR | – | – | 50 | pF | |
Signal-to-Noise Ratio | SNR CC | – | 70 | – | dB | examination bandwidth < 25 kHz |
Total Harmonic Distortion | THD CC | – | 70 | – | dB | examination bandwidth < 25 kHz |
Power Supply Rejection Ratio | PSRR CC | – | 56 | – | dB | to VDDA verified by design |
Conversion Calculation
Unsigned:
DACxDATA = 4095 × (VOUT /-VOUT_MIN) / (VOUT_MAX /-VOUT_MIN)
Signed:
DACxDATA = 4095 × (VOUT /-VOUT_MIN) / (VOUT_MAX /-VOUT_MIN) - 2048
Figure 13. DAC Conversion Examples
Out-of-Range Comparator (ORC)
The Out-of-Range Comparator (ORC) triggers on analog input voltages (VAIN) above the analog reference
29
(VAREF) on selected input pins (GxORCy) and generates a service request trigger (GxORCOUTy).
Note:
These parameters are not subject to production test, but verified by design and/or characterization.
The parameters in
Table 27
apply for the maximum reference voltage VAREF = VDDA /+ 50 mV.
Parameter | Symbol | Values | Unit | Note/Test Condition | ||
|---|---|---|---|---|---|---|
Min. | Typ. | Max. | ||||
DC Switching Level | VODC CC | 100 | 125 | 210 | mV | VAIN ≥ VAREF + VODC |
Hysteresis | VOHYS CC | 50 | – | VODC | mV | |
Detection Delay of a persistent Overvoltage | tODD CC | 50 | – | 450 | ns | VAIN ≥ VAREF + 210 mV |
45 | – | 105 | ns | VAIN ≥ VAREF + 400 mV | ||
Always detected Overvoltage Pulse | tOPDD CC | 440 | – | – | ns | VAIN ≥ VAREF + 210 mV |
90 | – | – | ns | VAIN ≥ VAREF + 400 mV | ||
Never detected Overvoltage Pulse | tOPDN CC | – | – | 45 | ns | VAIN ≥ VAREF + 210 mV |
– | – | 30 | ns | VAIN ≥ VAREF + 400 mV | ||
Release Delay | tORD CC | 65 | – | 105 | ns | VAIN ≤ VAREF |
Enable Delay | tOED CC | – | 100 | 200 | ns | |
Figure 14. GxORCOUTy Trigger Generation
Figure 15. ORC Detection Ranges
Die Temperature Sensor
The Die Temperature Sensor (DTS) measures the junction temperature TJ .
Note:
These parameters are not subject to production test, but verified by design and/or characterization.
Parameter | Symbol | Values | Unit | Note/Test Condition | ||
|---|---|---|---|---|---|---|
Min. | Typ. | Max. | ||||
Temperature sensor range | TSR SR | -40 | – | 150 | °C | |
Linearity Error (to the below defined formula) | ΔTLE CC | – | ±1 | – | °C | per ΔTJ ≤ 30°C |
Offset Error | ΔTOE CC | – | ±6 | – | °C | ΔTOE = TJ - TDTS VDDP ≤ 3.3 V30 |
Measurement time | tM CC | – | – | 100 | µs | |
Start-up time after reset inactive | tTSST SR | – | – | 10 | µs | |
The following formula calculates the temperature measured by the DTS in [°C] from the RESULT bit field of the DTSSTAT register.
Temperature TDTS = (RESULT - 605)/2.05 [°C]
This formula and the values defined in
Table 28
apply with the following calibration values:
DTSCON.BGTRIM = 8
DTSCON.REFTRIM = 4
USB OTG Interface DC Characteristics
The Universal Serial Bus (USB) Interface is compliant to the USB Rev. 2.0 Specification and the OTG Specification Rev. 1.3. High-Speed Mode is not supported.
Note:
These parameters are not subject to production test, but verified by design and/or characterization.
Parameter | Symbol | Values | Unit | Note/Test Condition | ||
|---|---|---|---|---|---|---|
Min. | Typ. | Max. | ||||
VBUS input voltage range | VIN CC | 0.0 | – | 5.25 | V | |
A-device VBUS valid threshold | VB1 CC | 4.4 | – | – | V | |
A-device session valid threshold | VB2 CC | 0.8 | – | 2.0 | V | |
B-device session valid threshold | VB3 CC | 0.8 | – | 4.0 | V | |
B-device session end threshold | VB4 CC | 0.2 | – | 0.8 | V | |
VBUS input resistance to ground | RVBUS_IN CC | 40 | – | 100 | kOhm | |
B-device VBUS pull-up resistor | RVBUS_PU CC | 281 | – | – | Ohm | Pull-up voltage = 3.0 V |
B-device VBUS pull-down resistor | RVBUS_PD CC | 656 | – | – | Ohm | |
USB.ID pull-up resistor | RUID_PU CC | 14 | – | 25 | kOhm | |
VBUS input current | IVBUS_IN CC | – | – | 150 | µA | 0 V ≤ VIN ≤ 5.25 V: TAVG = 1 ms |
Parameter | Symbol | Values | Unit | Note/Test Condition | ||
|---|---|---|---|---|---|---|
Min. | Typ. | Max. | ||||
Input low voltage | VIL SR | – | – | 0.8 | V | |
Input high voltage (driven) | VIH SR | 2.0 | – | – | V | |
Input high voltage (floating) 31 | VIHZ SR | 2.7 | – | 3.6 | V | |
Differential input sensitivity | VDIS CC | 0.2 | – | – | V | |
Differential common mode range | VCM CC | 0.8 | – | 2.5 | V | |
Output low voltage | VOL CC | 0.0 | – | 0.3 | V | 1.5 kOhm pull-up to 3.6 V |
Output high voltage | VOH CC | 2.8 | – | 3.6 | V | 15 kOhm pull-down to 0 V |
DP pull-up resistor (idle bus) | RPUI CC | 900 | – | 1575 | Ohm | |
DP pull-up resistor (upstream port receiving) | RPUA CC | 1425 | – | 3090 | Ohm | |
DP, DM pull-down resistor | RPD CC | 14.25 | – | 24.8 | kOhm | |
Input impedance DP, DM | ZINP CC | 300 | – | – | kOhm | 0 V ≤ VIN ≤ VDDP |
Driver output resistance DP, DM | ZDRV CC | 28 | – | 44 | Ohm | |
Oscillator Pins
Note:
It is strongly recommended to measure the oscillation allowance (negative resistance) in the final target system (layout) to determine the optimal parameters for the oscillator operation. Please refer to the limits specified by the crystal or ceramic resonator supplier.
Note:
These parameters are not subject to production test, but verified by design and/or characterization.
The oscillator pins can be operated with an external crystal (see
Figure 16
) or in direct input mode (see
Figure 17
).
Figure 16. Oscillator in Crystal Mode
Figure 17. Oscillator in Direct Input Mode
Parameter | Symbol | Values | Unit | Note/Test Condition | ||
|---|---|---|---|---|---|---|
Min. | Typ. | Max. | ||||
Input frequency | fOSC SR | 4 | – | 40 | MHz | Direct Input Mode selected |
4 | – | 25 | MHz | External Crystal Mode selected | ||
Oscillator start-up time 32 | tOSCS CC | – | – | 10 | ms | |
Input voltage at XTAL1 | VIX SR | -0.5 | – | VDDP + 0.5 | V | |
VPPX SR | 0.4 × VDDP | – | VDDP + 1.0 | V | ||
Input high voltage at XTAL1 | VIHBX SR | 1.0 | – | VDDP + 0.5 | V | |
Input low voltage at XTAL1 35 | VILBX SR | -0.5 | – | 0.4 | V | |
Input leakage current at XTAL1 | IILX1 CC | -100 | – | 100 | nA | Oscillator power down 0 V ≤ VIX ≤ VDDP |
Parameter | Symbol | Values | Unit | Note/Test Condition | ||
|---|---|---|---|---|---|---|
Min. | Typ. | Max. | ||||
Input frequency | fOSC SR | – | 32.768 | – | kHz | |
Oscillator start-up time 36 | tOSCS CC | – | – | 5 | s | |
Input voltage at RTC_XTAL1 | VIX SR | -0.3 | – | VBAT + 0.3 | V | |
VPPX SR | 0.4 | – | – | V | ||
Input high voltage at RTC_XTAL1 | VIHBX SR | 0.6 × VBAT | – | VBAT + 0.3 | V | |
Input low voltage at RTC_XTAL1 40 | VILBX SR | -0.3 | – | 0.36 × VBAT | V | |
| VHYSX CC | 0.1 × VBAT | – | V | 3.0 V ≤ VBAT < 3.6 V | ||
0.03 × VBAT | – | V | VBAT < 3.0 V | |||
Input leakage current at RTC_XTAL1 | IILX1 CC | -100 | – | 100 | nA | Oscillator power down 0 V ≤ VIX ≤ VBAT |
Power Supply Current
The total power supply current defined below consists of a leakage and a switching component.
Application relevant values are typically lower than those given in the following tables, and depend on the customer's system operating conditions (e.g. thermal connection or used application configurations).
Note:
These parameters are not subject to production test, but verified by design and/or characterization.
If not stated otherwise, the operating conditions for the parameters in the following table are:
VDDP = 3.3 V, TA = 25°C
Parameter | Symbol | Values | Unit | Note/Test Condition | ||
|---|---|---|---|---|---|---|
Min. | Typ. | Max. | ||||
Active supply current 42 Peripherals enabled Frequency: fCPU/fPERIPH/fCCU in MHz | IDDPA CC | – | 135 | – | mA | 144/144/144 |
– | 125 | – | 144/72/72 | |||
– | 97 | – | 72/72/144 | |||
– | 80 | – | 24/24/24 | |||
– | 68 | – | 1/1/1 | |||
Active supply current Code execution from RAM Flash in Sleep mode | IDDPA CC | – | 108 | – | mA | 144/144/144 |
– | 98 | – | 144/72/72 | |||
Active supply current 44 Peripherals disabled Frequency: fCPU/fPERIPH/fCCU in MHz | IDDPA CC | – | 86 | – | mA | 144/144/144 |
– | 85 | – | 144/72/72 | |||
– | 70 | – | 72/72/144 | |||
– | 55 | – | 24/24/24 | |||
– | 50 | – | 1/1/1 | |||
Sleep supply current 45 Peripherals enabled Frequency: fCPU / fPERIPH / fCCU in MHz | IDDPS CC | – | 127 | – | mA | 144/144/144 |
– | 115 | – | 144/72/72 | |||
– | 93 | – | 72/72/144 | |||
– | 57 | – | 24/24/24 | |||
– | 47 | – | 1/1/1 | |||
| fCPU/fPERIPH/fCCU in kHz | – | 48 | – | 100/100/100 | ||
Sleep supply current 46 Peripherals disabled Frequency: fCPU/fPERIPH/fCCU in MHz | IDDPS CC | – | 77 | – | mA | 144/144/144 |
– | 76 | – | 144/72/72 | |||
– | 65 | – | 72/72/144 | |||
– | 53 | – | 24/24/24 | |||
– | 46 | – | 1/1/1 | |||
| fCPU/fPERIPH/fCCU in kHz | – | 47 | – | 100/100/100 | ||
Deep Sleep supply current 47 Flash in Sleep mode Frequency: fCPU/fPERIPH/fCCU in MHz | IDDPD CC | – | 11 | – | mA | 24/24/24 |
– | 7.0 | – | 4/4/4 | |||
– | 6.6 | – | 1/1/1 | |||
| fCPU/fPERIPH/fCCU in kHz | – | 7.6 | – | 100/100/100 48 | ||
Hibernate supply current RTC on 49 | IDDPH CC | – | 8.7 | – | µA | VBAT = 3.3 V |
– | 6.5 | – | VBAT = 2.4 V | |||
– | 5.7 | – | VBAT = 2.0 V | |||
Hibernate supply current RTC off 50 | IDDPH CC | – | 8.0 | – | µA | VBAT = 3.3 V |
– | 6.0 | – | VBAT = 2.4 V | |||
– | 5.0 | – | VBAT = 2.0 V | |||
Hibernate off 51 | IDDPH CC | – | 4.4 | – | µA | VBAT = 3.3 V |
– | 3.5 | – | VBAT = 2.4 V | |||
– | 3.1 | – | VBAT = 2.0 V | |||
Worst case active supply current 52 | IDDPA CC | – | – | 250 43 | mA | VDDP = 3.6 V, TJ = 150°C |
| VDDA power supply current | IDDA CC | – | – | mA | ||
| IDDP current at Low | IDDP_PORST CC | – | 5 | 10 | mA | VDDP = 3.3 V, TJ = 25°C |
– | 13 | 55 | mA | VDDP = 3.6 V, TJ = 150°C | ||
Power Dissipation | PDISS CC | – | – | 1.4 | W | VDDP = 3.6 V, TJ = 150°C |
Wake-up time from Sleep to Active mode | tSSA CC | – | 6 | – | cycles | |
Wake-up time from Deep Sleep to Active mode | – | – | – | ms | Defined by the wake-up of the Flash module, see “ Flash Memory Parameters ” | |
Wake-up time from Hibernate mode | – | – | – | ms | Wake-up via power-on reset event, see “Power-Up and Supply Monitoring” | |
Peripheral Idle Currents
Default test conditions:
fsys and derived clocks at 144 MHz
VDDP = 3.3 V, Ta = 25°C
all peripherals are held in reset (see the PRSTAT registers in the Reset Control Unit of the SCU)
the peripheral clocks are disabled (see CGATSTAT registers in the Clock Control Unit of the SCU
no I/O activity
The given values are a result of differential measurements with asserted and deasserted peripheral reset as well as disabled and enabled clock of the peripheral under test.
The tested peripheral is left in the state after the peripheral reset is deasserted, no further initialisation or configuration is done. For example no timer is running in the CCUs, no communication active in the USICs, etc.
Parameter | Symbol | Values | Unit | Note/Test Condition | ||
|---|---|---|---|---|---|---|
Min. | Typ. | Max. | ||||
PORTS FCE WDT | IPER CC | – | ≤0.3 | – | mA | |
MultiCAN ERU LEDTSCU0 ETH CCU4x, CCU8x 54 | – | ≤1.0 | – | |||
DAC (digital) | – | 1.3 | – | |||
USICx SDMMC | – | 3.0 | – | |||
VADC (digital) 55 | – | 4.5 | – | |||
DMA0, USB, EtherCAT | – | 6.0 | – | |||
Flash Memory Parameters
Note:
These parameters are not subject to production test, but verified by design and/or characterization.
Parameter | Symbol | Values | Unit | Note/Test Condition | ||
|---|---|---|---|---|---|---|
Min. | Typ. | Max. | ||||
Erase Time per 256 Kbyte Sector | tERP CC | – | 5 | 5.5 | s | |
Erase Time per 64 Kbyte Sector | tERP CC | – | 1.2 | 1.4 | s | |
Erase Time per 16 Kbyte Logical Sector | tERP CC | – | 0.3 | 0.4 | s | |
Program time per page 56 | tPRP CC | – | 5.5 | 11 | ms | |
Erase suspend delay | tFL_ErSusp CC | – | – | 15 | ms | |
Wait time after margin change | tFL_MarginDel CC | 10 | – | – | µs | |
Wake-up time | tWU CC | – | – | 270 | µs | |
Read access time | ta CC | 22 | – | – | ns | For operation with 1/fCPU < ta wait states must be configured 57 |
Data Retention Time, Physical Sector | tRET CC | 20 | – | – | years | Max. 1000 erase/program cycles |
Data Retention Time, Logical Sector 58 59 | tRETL CC | 20 | – | – | years | Max. 100 erase/program cycles |
Data Retention Time, User Configuration Block (UCB) 58 59 | tRTU CC | 20 | – | – | years | Max. 4 erase/program cycles per UCB |
Endurance on 64 Kbyte Physical Sector PS4 | NEPS4 CC | 10000 | – | – | cycles | Cycling distributed over life time 60 |
AC Parameters
Testing Waveforms
Figure 18. Rise/Fall Time Parameters
Figure 19. Testing Waveform, Output Delay
Figure 20. Testing Waveform, Output High Impedance
Power-Up and Supply Monitoring
is always asserted when VDDP and/or VDDC violate the respective thresholds.
Note:
These parameters are not subject to production test, but verified by design and/or characterization.
Figure 21. Circuit
Parameter | Symbol | Values | Unit | Note/Test Condition | ||
|---|---|---|---|---|---|---|
Min. | Typ. | Max. | ||||
Digital supply voltage reset threshold | VPOR CC | 2.79 61 | – | 3.05 62 | V | 63 |
Core supply voltage reset threshold | VPV CC | – | – | 1.17 | V | |
| VDDP voltage to ensure defined pad states | VDDPPA CC | – | 1.0 | – | V | |
| rise time | tPR SR | – | – | 2 | μs | 64 |
Startup time from power-on reset with code execution from Flash | tSSW CC | – | 2.5 | 3.5 | ms | Time to the first user code instruction |
| VDDC ramp up time | tVCR CC | – | 550 | – | μs | Ramp up after power-on or after a reset triggered by a violation of VPOR or VPV |
Figure 22. Power-Up Behavior
Power Sequencing
While starting up and shutting down as well as when switching power modes of the system it is important to limit the current load steps. A typical cause for such load steps is changing the CPU frequency fCPU . Load steps exceeding the below defined values may cause a power on reset triggered by the supply monitor.
Note:
These parameters are not subject to production test, but verified by design and/or characterization.
Parameter | Symbol | Values | Unit | Note/Test Condition | ||
|---|---|---|---|---|---|---|
Min. | Typ. | Max. | ||||
Positive Load Step Current | ΔIPLS SR | – | – | 50 | mA | Load increase on VDDP Δ t ≤ 10 ns |
Negative Load Step Current | ΔINLS SR | – | – | 150 | mA | Load decrease on VDDP Δ t ≤ 10 ns |
| VDDC Voltage Over-/Undershoot from Load Step | ΔVLS CC | – | – | ±100 | mV | For maximum positive or negative load step |
Positive Load Step Settling Time | tPLSS SR | 50 | – | – | μs | |
Negative Load Step Settling Time | tNLSS SR | 100 | – | – | μs | |
| External Buffer Capacitor on VDDC | CEXT SR | – | 10 | – | μF | In addition C = 100 nF capacitor on each VDDC pin |
Positive Load Step Examples
System assumptions:
fCPU = fSYS, target frequency fCPU = 144 MHz, main PLL fVCO = 288 MHz, stepping done by K2 divider, tPLSS between individual steps:
24 MHz - 48 MHz - 72 MHz - 96 MHz - 144 MHz (K2 steps 12 - 6 - 4 - 3 - 2)
24 MHz - 48 MHz - 96 MHz - 144 MHz (K2 steps 12 - 6 - 3 - 2)
24 MHz - 72 MHz - 144 MHz (K2 steps 12 - 4 - 2)
Phase Locked Loop (PLL) Characteristics
Note:
These parameters are not subject to production test, but verified by design and/or characterization.
Main and USB PLL
Parameter | Symbol | Values | Unit | Note/Test Condition | ||
|---|---|---|---|---|---|---|
Min. | Typ. | Max. | ||||
Accumulated Jitter | DP CC | – | – | ±5 | ns | accumulated over 300 cycles fSYS = 144 MHz |
Duty Cycle 65 | DDC CC | 46 | 50 | 54 | % | Low pulse to total period, assuming an ideal input clock source |
PLL base frequency | fPLLBASE CC | 30 | – | 140 | MHz | |
VCO input frequency | fREF CC | 4 | – | 16 | MHz | |
VCO frequency range | fVCO CC | 260 | – | 520 | MHz | |
PLL lock-in time | tL CC | – | – | 400 | μs | |
Internal Clock Source Characteristics
Note:
These parameters are not subject to production test, but verified by design and/or characterization.
Fast Internal Clock Source
Parameter | Symbol | Values | Unit | Note/Test Condition | ||
|---|---|---|---|---|---|---|
Min. | Typ. | Max. | ||||
Nominal frequency | fOFINC CC | – | 36.5 | – | MHz | not calibrated |
– | 24 | – | MHz | calibrated | ||
Accuracy | ΔfOFI CC | -0.5 | – | 0.5 | % | automatic calibration 66 67 |
-15 | – | 15 | % | factory calibration, VDDP = 3.3 V | ||
-25 | – | 25 | % | no calibration, VDDP = 3.3 V | ||
-7 | – | 7 | % | Variation over voltage range 68 3.13 V ≤ VDDP ≤ 3.63 V | ||
Start-up time | tOFIS CC | – | 50 | – | μs | |
Slow Internal Clock Source
Parameter | Symbol | Values | Unit | Note/Test Condition | ||
|---|---|---|---|---|---|---|
Min. | Typ. | Max. | ||||
Nominal frequency | fOSI CC | – | 32.768 | – | kHz | |
Accuracy | ΔfOSI CC | -4 | – | 4 | % | VBAT = const. 0°C ≤ TA ≤ 85°C |
-5 | – | 5 | % | VBAT = const. TA < 0°C or TA > 85°C | ||
-5 | – | 5 | % | 2.4 V ≤ VBAT , TA = 25°C | ||
-10 | – | 10 | % | 1.95 V ≤ VBAT < 2.4 V, TA = 25°C | ||
Start-up time | tOSIS CC | – | 50 | – | μs | |
JTAG Interface Timing
The following parameters are applicable for communication through the JTAG debug interface. The JTAG module is fully compliant with IEEE1149.1-2000.
Note:
These parameters are not subject to production test, but verified by design and/or characterization.
Note:
Operating conditions apply.
Parameter | Symbol | Values | Unit | Note/Test Condition | ||
|---|---|---|---|---|---|---|
Min. | Typ. | Max. | ||||
TCK clock period | t1 SR | 25 | – | – | ns | |
TCK high time | t2 SR | 10 | – | – | ns | |
TCK low time | t3 SR | 10 | – | – | ns | |
TCK clock rise time | t4 SR | – | – | 4 | ns | |
TCK clock fall time | t5 SR | – | – | 4 | ns | |
TDI/TMS setup to TCK rising edge | t6 SR | 6 | – | – | ns | |
TDI/TMS hold after TCK rising edge | t7 SR | 6 | – | – | ns | |
TDO valid after TCK falling edge (propagation delay) | t8 CC | – | – | 13 | ns | CL = 50 pF |
3 | – | – | ns | CL = 20 pF | ||
TDO hold after TCK falling edge 69 | t18 CC | 2 | – | – | ns | |
TDO high imped. to valid from TCK falling edge 69 70 | t9 CC | – | – | 14 | ns | CL = 50 pF |
TDO valid to high imped. from TCK falling edge 69 | t10 CC | – | – | 13.5 | ns | CL = 50 pF |
Figure 23. Test Clock Timing (TCK)
Figure 24. JTAG Timing
Serial Wire Debug Port (SW-DP) Timing
The following parameters are applicable for communication through the SW-DP interface.
Note:
These parameters are not subject to production test, but verified by design and/or characterization.
Note:
Operating conditions apply.
Parameter | Symbol | Values | Unit | Note/Test Condition | ||
|---|---|---|---|---|---|---|
Min. | Typ. | Max. | ||||
SWDCLK clock period | tSC SR | 25 | – | – | ns | CL = 30 pF |
40 | – | – | ns | CL = 50 pF | ||
SWDCLK high time | t1 SR | 10 | – | 500000 | ns | |
SWDCLK low time | t2 SR | 10 | – | 500000 | ns | |
SWDIO input setup to SWDCLK rising edge | t3 SR | 6 | – | – | ns | |
SWDIO input hold after SWDCLK rising edge | t4 SR | 6 | – | – | ns | |
SWDIO output valid time after SWDCLK rising edge | t5 CC | – | – | 17 | ns | CL = 50 pF |
– | – | 13 | ns | CL = 30 pF | ||
SWDIO output hold time from SWDCLK rising edge | t6 CC | 3 | – | – | ns | |
Figure 25. SWD Timing
Peripheral Timing
Synchronous Serial Interface (USIC SSC) Timing
The following parameters are applicable for a USIC channel operated in SSC mode.
Note:
These parameters are not subject to production test, but verified by design and/or characterization.
Parameter | Symbol | Values | Unit | Note/Test Condition | ||
|---|---|---|---|---|---|---|
Min. | Typ. | Max. | ||||
SCLKOUT master clock period | tCLK CC | 33.3 | – | – | ns | |
Slave select output SELO active to first SCLKOUT transmit edge | t1 CC | tPB - 6.5 | – | – | ns | |
Slave select output SELO inactive after last SCLKOUT receive edge | t2 CC | tPB - 8.5 71 | – | – | ns | |
Data output DOUT[3:0] valid time | t3 CC | -6 | – | 8 | ns | |
Receive data input DX0/DX[5:3] setup time to SCLKOUT receive edge | t4 SR | 23 | – | – | ns | |
Data input DX0/DX[5:3] hold time from SCLKOUT receive edge | t5 SR | 1 | – | – | ns | |
Parameter | Symbol | Values | Unit | Note/Test Condition | ||
|---|---|---|---|---|---|---|
Min. | Typ. | Max. | ||||
DX1 slave clock period | tCLK SR | 66.6 | – | – | ns | |
Select input DX2 setup to first clock input DX1 transmit edge | t10 SR | 3 | – | – | ns | |
Select input DX2 hold after last clock input DX1 receive edge 72 | t11 SR | 4 | – | – | ns | |
Receive data input DX0/DX[5:3] setup time to shift clock receive edge 72 | t12 SR | 6 | – | – | ns | |
Data input DX0/DX[5:3] hold time from clock input DX1 receive edge 72 | t13 SR | 4 | – | – | ns | |
Data output DOUT[3:0] valid time | t14 CC | 0 | – | 24 | ns | |
Figure 26. USIC - SSC Master/Slave Mode Timing
Note:
This timing diagram shows a standard configuration, for which the slave select signal is low-active, and the serial clock signal is not shifted and not inverted.
Inter-IC (IIC) Interface Timing
The following parameters are applicable for a USIC channel operated in IIC mode.
Note:
These parameters are not subject to production test, but verified by design and/or characterization.
Parameter | Symbol | Values | Unit | Note/Test Condition | ||
|---|---|---|---|---|---|---|
Min. | Typ. | Max. | ||||
Fall time of both SDA and SCL | t1 CC/SR | – | – | 300 | ns | |
Rise time of both SDA and SCL | t2 CC/SR | – | – | 1000 | ns | |
Data hold time | t3 CC/SR | 0 | – | – | µs | |
Data set-up time | t4 CC/SR | 250 | – | – | ns | |
LOW period of SCL clock | t5 CC/SR | 4.7 | – | – | µs | |
HIGH period of SCL clock | t6 CC/SR | 4.0 | – | – | µs | |
Hold time for (repeated) START condition | t7 CC/SR | 4.0 | – | – | µs | |
Set-up time for repeated START condition | t8 CC/SR | 4.7 | – | – | µs | |
Set-up time for STOP condition | t9 CC/SR | 4.0 | – | – | µs | |
Bus free time between a STOP and START condition | t10 CC/SR | 4.7 | – | – | µs | |
Capacitive load for each bus line | Cb SR | – | – | 400 | pF | |
Parameter | Symbol | Values | Unit | Note/Test Condition | ||
|---|---|---|---|---|---|---|
Min. | Typ. | Max. | ||||
Fall time of both SDA and SCL | t1 CC/SR | 20 + 0.1*Cb | – | 300 | ns | |
Rise time of both SDA and SCL | t2 CC/SR | 20 + 0.1* Cb 75 | – | 300 | ns | |
Data hold time | t3 CC/SR | 0 | – | – | µs | |
Data set-up time | t4 CC/SR | 100 | – | – | ns | |
LOW period of SCL clock | t5 CC/SR | 1.3 | – | – | µs | |
HIGH period of SCL clock | t6 CC/SR | 0.6 | – | – | µs | |
Hold time for (repeated) START condition | t7 CC/SR | 0.6 | – | – | µs | |
Set-up time for repeated START condition | t8 CC/SR | 0.6 | – | – | µs | |
Set-up time for STOP condition | t9 CC/SR | 0.6 | – | – | µs | |
Bus free time between a STOP and START condition | t10 CC/SR | 1.3 | – | – | µs | |
Capacitive load for each bus line | Cb SR | – | – | 400 | pF | |
Figure 27. USIC IIC Stand and Fast Mode Timing
Inter-IC Sound (IIS) Interface Timing
The following parameters are applicable for a USIC channel operated in IIS mode.
Note:
These parameters are not subject to production test, but verified by design and/or characterization.
Parameter | Symbol | Values | Unit | Note/Test Condition | ||
|---|---|---|---|---|---|---|
Min. | Typ. | Max. | ||||
Clock period | t1 CC | 33.3 | – | – | ns | |
Clock high time | t2 CC | 0.35 xt1min | – | – | ns | |
Clock low time | t3 CC | 0.35 xt1min | – | – | ns | |
Hold time | t4 CC | 0 | – | – | ns | |
Clock rise time | t5 CC | – | – | 0.15 xt1min | ns | |
Figure 28. USIC IIS Master Transmitter Timing
Parameter | Symbol | Values | Unit | Note/Test Condition | ||
|---|---|---|---|---|---|---|
Min. | Typ. | Max. | ||||
Clock period | t6 SR | 66.6 | – | – | ns | |
Clock high time | t7 SR | 0.35 xt6min | – | – | ns | |
Clock low time | t8 SR | 0.35 xt6min | – | – | ns | |
Set-up time | t9 SR | 0.2 xt6min | – | – | ns | |
Hold time | t10 SR | 0 | – | – | ns | |
Figure 29. USIC IIS Slave Receiver Timing
SDMMC Interface Timing
Note:
These parameters are not subject to production test, but verified by design and/or characterization.
Note:
Operating Conditions apply, total external capacitive load CL = 40 pF.
AC Timing Specifications (Full-Speed Mode)
Parameter | Symbol | Values | Unit | Note/Test Condition | |
|---|---|---|---|---|---|
Min. | Max. | ||||
| Clock frequency in full speed transfer mode (1/tpp ) | fpp CC | 0 | 24 | MHz | |
Clock cycle in full speed transfer mode | tpp CC | 40 | – | ns | |
Clock low time | tWL CC | 10 | – | ns | |
Clock high time | tWH CC | 10 | – | ns | |
Clock rise time | tTLH CC | – | 10 | ns | |
Clock fall time | tTHL CC | – | 10 | ns | |
Inputs setup to clock rising edge | tISU_F SR | 2 | – | ns | |
Inputs hold after clock rising edge | tIH_F SR | 2 | – | ns | |
Outputs valid time in full speed mode | tODLY_F CC | – | 10 | ns | |
Outputs hold time in full speed mode | tOH_F CC | 0 | – | ns | |
Parameter | Symbol | Values | Unit | Note/Test Condition | |
|---|---|---|---|---|---|
Min. | Max. | ||||
SD card input setup time | tISU | 5 | – | ns | |
SD card input hold time | tIH | 5 | – | ns | |
SD card output valid time | tODLY | – | 14 | ns | |
SD card output hold time | tOH | 0 | – | ns | |
Full-Speed Output Path (Write)
Figure 30. Full-Speed Output Path

Full-Speed Write Meeting Setup (Maximum Delay)
The following equations show how to calculate the allowed skew range between the SD_CLK and SD_DAT/CMD signals on the PCB.
No clock delay:
With clock delay:
The data can be delayed versus clock up to 5 ns in ideal case of tWL = 20 ns.
Full-Speed Write Meeting Hold (Minimum Delay)
The following equations show how to calculate the allowed skew range between the SD_CLK and SD_DAT/CMD signals on the PCB.
The clock can be delayed versus data up to 18.2 ns (external delay line) in ideal case of tWL = 20 ns, with maximum tTAP_DELAY = 3.2 ns programmed.
Full-Speed Input Path (Read)
Figure 31. Full-Speed Input Path
Full-Speed Read Meeting Setup (Maximum Delay)
The following equations show how to calculate the allowed combined propagation delay range of the SD_CLK and SD_DAT/CMD signals on the PCB.
The data + clock delay can be up to 4 ns for a 40 ns clock cycle.
Full-Speed Read Meeting Hold (Minimum Delay)
The following equations show how to calculate the allowed combined propagation delay range of the SD_CLK and SD_DAT/CMD signals on the PCB.
The data + clock delay must be greater than 2 ns if tTAP_DELAY is not used.
If the tTAP_DELAY is programmed to at least 2 ns, the data + clock delay must be greater than 0 ns (or less). This is always fulfilled.
AC Timing Specifications (High-Speed Mode)
Parameter | Symbol | Values | Unit | Note/Test Condition | |
|---|---|---|---|---|---|
Min. | Max. | ||||
| Clock frequency in high speed transfer mode (1/tpp ) | fpp CC | 0 | 48 | MHz | |
Clock cycle in high speed transfer mode | tpp CC | 20 | – | ns | |
Clock low time | tWL CC | 7 | – | ns | |
Clock high time | tWH CC | 7 | – | ns | |
Clock rise time | tTLH CC | – | 3 | ns | |
Clock fall time | tTHL CC | – | 3 | ns | |
Inputs setup to clock rising edge | tISU_H SR | 2 | – | ns | |
Inputs hold after clock rising edge | tIH_H SR | 2 | – | ns | |
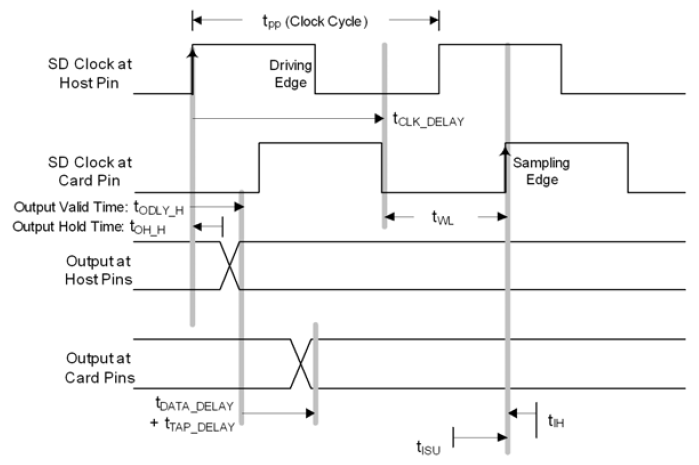
Outputs valid time in high speed mode | tODLY_H CC | – | 14 | ns | |
Outputs hold time in high speed mode | tOH_H CC | 2 | – | ns | |
Parameter | Symbol | Values | Unit | Note/Test Condition | |
|---|---|---|---|---|---|
Min. | Max. | ||||
SD card input setup time | tISU | 6 | – | ns | |
SD card input hold time | tIH | 2 | – | ns | |
SD card output valid time | tODLY | – | 14 | ns | |
SD card output hold time | tOH | 2.5 | – | ns | |
High-Speed Output Path (Write)
Figure 32. High-Speed Output Path
High-Speed Write Meeting Setup (Maximum Delay)
The following equations show how to calculate the allowed skew range between the SD_CLK and SD_DAT/CMD signals on the PCB.
No clock delay:
With clock delay:
The data delay is less than the clock delay by at least 10 ns in the ideal case where tWL = 10 ns.
High-Speed Write Meeting Hold (Minimum Delay)
The following equations show how to calculate the allowed skew range between the SD_CLK and SD_DAT/CMD signals on the PCB.
The clock can be delayed versus data up to 13.2 ns (external delay line) in ideal case of tWL = 10 ns, with maximum tTAP_DELAY = 3.2 ns programmed.
High-Speed Input Path (Read)
Figure 33. High-Speed Input Path
High-Speed Read Meeting Setup (Maximum Delay)
The following equations show how to calculate the allowed combined propagation delay range of the SD_CLK and SD_DAT/CMD signals on the PCB.
The data + clock delay can be up to 4 ns for a 20 ns clock cycle.
High-Speed Read Meeting Hold (Minimum Delay)
The following equations show how to calculate the allowed combined propagation delay range of the SD_CLK and SD_DAT/CMD signals on the PCB.
The data + clock delay must be greater than -0.5 ns for a 20 ns clock cycle. This is always fulfilled.
USB Interface Characteristics
The Universal Serial Bus (USB) Interface is compliant to the USB Rev. 2.0 Specification and the OTG Specification Rev. 1.3. High-Speed Mode is not supported.
Note:
These parameters are not subject to production test, but verified by design and/or characterization.
Parameter | Symbol | Values | Unit | Note/Test Condition | ||
|---|---|---|---|---|---|---|
Min. | Typ. | Max. | ||||
Rise time | tR CC | 4 | – | 20 | ns | CL = 50 pF |
Fall time | tF CC | 4 | – | 20 | ns | CL = 50 pF |
Rise/Fall time matching | tR / tF CC | 90 | – | 111.11 | % | CL = 50 pF |
Crossover voltage | VCRS CC | 1.3 | – | 2.0 | V | CL = 50 pF |
Figure 34. USB Signal Timing
Ethernet Interface (ETH) Characteristics
For proper operation of the Ethernet Interface it is required that fSYS ≥ 100 MHz.
Note:
These parameters are not subject to production test, but verified by design and/or characterization.
ETH Measurement Reference Points
Figure 35. ETH Measurement Reference Points
ETH Management Signal Parameters (ETH_MDC, ETH_MDIO)
Parameter | Symbol | Values | Unit | Note/Test Condition | ||
|---|---|---|---|---|---|---|
Min. | Typ. | Max. | ||||
ETH_MDC period | t1 CC | 400 | – | – | ns | CL = 25 pF |
ETH_MDC high time | t2 CC | 160 | – | – | ns | |
ETH_MDC low time | t3 CC | 160 | – | – | ns | |
ETH_MDIO setup time (output) | t4 CC | 10 | – | – | ns | |
ETH_MDIO hold time (output) | t5 CC | 10 | – | – | ns | |
ETH_MDIO data valid (input) | t6 SR | 0 | – | 300 | ns | |
Figure 36. ETH Management Signal Timing
ETH RMII Parameters
In the following, the parameters of the RMII (Reduced Media Independent Interface) are described.
Parameter | Symbol | Values | Unit | Note/Test Condition | ||
|---|---|---|---|---|---|---|
Min. | Typ. | Max. | ||||
ETH_RMII_REF_CL clock period | t13 SR | 20 | – | – | ns | CL = 25 pF; 50 ppm |
ETH_RMII_REF_CL clock high time | t14 SR | 7 | – | 13 | ns | CL = 25 pF |
ETH_RMII_REF_CL clock low time | t15 SR | 7 | – | 13 | ns | |
ETH_RMII_RXD[1:0], ETH_RMII_CRS setup time | t16 SR | 4 | – | – | ns | |
ETH_RMII_RXD[1:0], ETH_RMII_CRS hold time | t17 SR | 2 | – | – | ns | |
ETH_RMII_TXD[1:0], ETH_RMII_TXEN data valid | t18 CC | 4 | – | 15 | ns | |
Figure 37. ETH RMII Signal Timing
EtherCAT (ECAT) Characteristics
ECAT Measurement Reference Points
Figure 38. Measurement Reference Points
ETH Management Signal Parameters (MCLK, MDIO)
Parameter | Symbol | Values | Unit | Note/Test Condition | ||
|---|---|---|---|---|---|---|
Min. | Typ. | Max. | ||||
ECAT_MCLK period | tMCLK CC | – | 400 | – | ns | IEEE802.3 requirement (2.5 MHz) CL = 25 pF |
ECAT_MCLK high time | tMCLK_h CC | 160 | – | – | ns | |
ECAT_MCLK low time | tMCLK_l CC | 160 | – | – | ns | |
ECAT_MDIO setup time (output) | tD_setup CC | 10 | – | – | ns | |
ECAT_MDIO hold time (output) | tD_hold CC | 10 | – | – | ns | |
ECAT_MDIO data valid (input) | tD_valid SR | 0 | – | 300 | ns | |
Figure 39. ECAT Management Signal Timing
MII Timing TX Characteristics
Parameter | Symbol | Values | Unit | Note/Test Condition | ||
|---|---|---|---|---|---|---|
Min. | Typ. | Max. | ||||
PHY_CLK25, TX_CLK period | tTX_CLK SR | – | 40 | – | ns | |
Delay between PHY clock source PHY_CLK25 and TX_CLK output of the PHY | tPHY_delay SR | – | – | – | ns | PHY dependent |
PHY setup requirement: TXEN/TXD[3:0] with respect to TX_CLK | tTX_setup SR | 15 | – | 0 | ns | PHY dependent IEEE802.3 limit is 15 ns |
PHY hold requirement: TXEN/TXD[3:0] with respect to TX_CLK | tTX_hold CC | 0 | – | 25 | ns | PHY dependent IEEE802.3 limit is 0 ns |
Note:
ECAT0_CONPx.TX_SHIFT can be adjusted by displaying TX_CLK of a PHY and TXEN/TXD[3:0] on an oscilloscope. TXEN/TXD[3:0] is allowed to change between 0 ns and 25 ns after a rising edge of TX_CLK (according to IEEE802.3 – check your PHY’s documentation). Configure TX_SHIFT so that TXEN/TXD[3:0] change near the middle of this range. It is sufficient to check just one of the TXEN/TXD[3:0] signals, because they are nearly generated at the same time.
Figure 40. MII TX Characteristics
MII Timing RX Characteristics
Parameter | Symbol | Values | Unit | Note/Test Condition | ||
|---|---|---|---|---|---|---|
Min. | Typ. | Max. | ||||
RX_CLK period | tRX_CLK SR | – | 40 | – | ns | CL = 25 pF, IEEE802.3 requirement |
RX_DV/RX_DV/RXD[3:0] valid before rising edge of RX_CLK | tRX_setup SR | 10 | – | – | ns | |
RX_DV/RX_DV/RXD[3:0] valid after rising edge of RX_CLK | tRX_hold SR | 10 | – | – | ns | |
Figure 41. MII RX characteristics
Sync/Latch Timings
Parameter | Symbol | Values | Unit | Note/Test Condition | ||
|---|---|---|---|---|---|---|
Min. | Typ. | Max. | ||||
SYNC0/1 | tDC_SYNC_Jitter SR | – | – | 11 + m 78 | ns | |
LATCH0/1 | tDC_LATCH SR | 12 + n 79 | – | – | ns | |
Note:
SYNC0/1 pulse length are initially loaded by EEPROM content ADR 0x0002. The actual used value can be read back from Register DC_PULSE_LEN.
Figure 42. Sync/Latch Timings
Package and Reliability
The XMC4300 is a member of the XMC4000 Family of microcontrollers. It is also compatible to a certain extent with members of similar families or subfamilies.
Each package is optimized for the device it houses. Therefore, there may be slight differences between packages of the same pin-count but for different device types. In particular, the size of the Exposed Die Pad may vary.
If different device types are considered or planned for an application, it must be ensured that the board layout fits all packages under consideration.
Package Parameters
provides the thermal characteristics of the packages used in XMC4300.
Parameter | Symbol | Limit Values | Unit | Package Types | |
|---|---|---|---|---|---|
Min. | Max. | ||||
Exposed Die Pad dimensions including U-Groove | Ex × Ey CC | – | 7.0 × 7.0 | mm | PG-LQFP-100-25 |
Exposed Die Pad dimensions excluding U-Groove | Ax × Ay CC | – | 6.2 × 6.2 | mm | PG-LQFP-100-25 |
Exposed Die Pad dimensions | – | – | 7.0 × 7.0 | mm | PG-LQFP-100-29 |
Thermal resistance Junction-Ambient TJ ≤ 150°C | RΘJA CC | – | 22.5 | K/W | PG-LQFP-100-25 PG-LQFP-100-29 80 |
Note:
For electrical reasons, it is required to connect the exposed pad to the board ground VSS , independent of EMC and thermal requirements.
Thermal Considerations
When operating the XMC4300 in a system, the total heat generated in the chip must be dissipated to the ambient environment to prevent overheating and the resulting thermal damage.
The maximum heat that can be dissipated depends on the package and its integration into the target board. The “Thermal resistance RΘJA ” quantifies these parameters. The power dissipation must be limited so that the average junction temperature does not exceed 150°C.
The difference between junction temperature and ambient temperature is determined by
ΔT = (PINT + PIOSTAT + PIODYN) × RΘJA
The internal power consumption is defined as
PINT = VDDP × IDDP (switching current and leakage current).
The static external power consumption caused by the output drivers is defined as
PIOSTAT = Σ((VDDP - VOH) × IOH) + Σ(VOL × IOL)
The dynamic external power consumption caused by the output drivers (PIODYN) depends on the capacitive load connected to the respective pins and their switching frequencies.
If the total power dissipation for a given system configuration exceeds the defined limit, countermeasures must be taken to ensure proper system operation:
Reduce VDDP , if possible in the system
Reduce the system frequency
Reduce the number of output pins
Reduce the load on active output drivers
Package Outlines
The exposed die pad dimensions are listed in
Table 60
.
Figure 43. PG-LQFP-100-25 (Plastic Green Low Profile Quad Flat Package)

Figure 44. PG-LQFP-100-29 (Plastic Green Low Profile Quad Flat Package)

All dimensions in mm.
You can find complete information about Infineon packages, packing and marking in our Infineon Internet Page “Packages”:
Quality Declarations
The qualification of the XMC4300 is executed according to the JEDEC standard JESD471.
Note:
For automotive applications refer to the Infineon automotive microcontrollers.
Parameter | Symbol | Values | Unit | Note/Test Condition | ||
|---|---|---|---|---|---|---|
Min. | Typ. | Max. | ||||
Operation lifetime | tOP CC | 20 | – | – | a | TJ ≤ 109°C, device permanent on |
ESD susceptibility according to Human Body Model (HBM) | VHBM SR | – | – | 3000 | V | EIA/JESD22-A114-B |
ESD susceptibility according to Charged Device Model (CDM) | VCDM SR | – | – | 1000 | V | Conforming to JESD22-C101-C |
Moisture sensitivity level | MSL CC | – | – | 3 | – | JEDEC J-STD-020D |
Soldering temperature | TSDR SR | – | – | 260 | °C | Profile according to JEDEC J-STD-020D |
Revision history
Document revision | Date | Description of changes |
|---|---|---|
V1.2 | 2023-04-01 | : Updated number of breakpoints from 8 to 6. : Added PG-LQFP-100-29 details. : Added package diagram: PG-LQFP-100-29. |
V1.3 | 2024-11-25 | Template update; no content update |
1
x is a placeholder for the supported temperature range.
2
x is a placeholder for the supported temperature range.
3
x is a placeholder for the supported temperature range.
4
Some pins in a package may be connected to more than one channel. For the detailed mapping see the Port I/O Function table.
8
Voltage overshoot to 4.0 V is permissible at Power-Up and low, provided the pulse duration is less than 100 μs and the cumulated sum of the pulses does not exceed 1 h over lifetime.
9
To start the hibernate domain it is required that VBAT ≥ 2.1 V, for a reliable start of the oscillation of RTC_XTAL in crystal mode it is required that VBAT ≥ 3.0 V.
11
Current required to override the pull device with the opposite logic level (“force current”). With active pull device, at load currents between force and keep current the input state is undefined.
12
Load current at which the pull device still maintains the valid logic level (“keep current”). With active pull device, at load currents between force and keep current the input state is undefined.
13
Hysteresis is implemented to avoid metastable states and switching due to internal ground bounce. It can not be guaranteed that it suppresses switching due to external system noise.
14
POD = Pin Out Driver
15
POD = Pin Out Driver
16
Hysteresis is implemented to avoid metastable states and switching due to internal ground bounce. It can not be guaranteed that it suppresses switching due to external system noise.
17
Applies to AINx, when used as alternate reference input.
18
A running conversion may become imprecise in case the normal conditions are violated (voltage overshoot).
19
If the analog reference voltage is below VDDA, then the ADC converter errors increase. If the reference voltage is reduced by the factor k (k<1), TUE, DNL, INL, Gain, and Offset errors increase also by the factor 1/k.
20
The leakage current definition is a continuous function, as shown in figure ADCx Analog Inputs Leakage. The numerical values defined determine the characteristic points of the given continuous linear approximation - they do not define step function (see
Figure 12
).
21
The sampling capacity of the conversion C-network is pre-charged to VAREF /2 before the sampling moment. Because of the parasitic elements, the voltage measured at AINx can deviate from VAREF /2.
22
This represents an equivalent switched capacitance. This capacitance is not switched to the reference voltage at once. Instead, smaller capacitances are successively switched to the reference voltage.
23
For 10-bit conversions, the errors are reduced to 1/4; for 8-bit conversions, the errors are reduced to 1/16. Never less than ±1 LSB.
24
The sum of DNL/INL/GAIN/OFF errors does not exceed the related total unadjusted error TUE.
25
This parameter is valid for soldered devices and requires careful analog board design.
26
Resulting worst case combined error is arithmetic combination of TUE and ENRMS .
27
Value is defined for one sigma Gauss distribution.
28
The resulting current for a conversion can be calculated with IAREF = QCONV / tc. The fastest 12-bit post-calibrated conversion of tc = 459 ns results in a typical average current of IAREF = 65.4 μA.
29
Always the standard VADC reference, alternate references do not apply to the ORC.
30
At VDDP_max = 3.63 V the typical offset error increases by an additional Δ TOE = ±1°C.
31
Measured at A-connector with 1.5 kOhm ± 5% to 3.3 V ± 0.3 V connected to USB_DP or USB_DM and at B-connector with 15 kOhm ± 5% to ground connected to USB_DP and USB_DM.
32
tOSCS is defined from the moment the oscillator is enabled with SCU_OSCHPCTRL.MODE until the oscillations reach an amplitude at XTAL1 of 0.4 * VDDP .
33
The external oscillator circuitry must be optimized by the customer and checked for negative resistance and amplitude as recommended and specified by crystal suppliers.
34
If the shaper unit is enabled and not bypassed.
35
If the shaper unit is bypassed, dedicated DC-thresholds have to be met.
36
tOSCS is defined from the moment the oscillator is enabled by the user with SCU_OSCULCTRL.MODE until the oscillations reach an amplitude at RTC_XTAL1 of 400 mV.
37
The external oscillator circuitry must be optimized by the customer and checked for negative resistance and amplitude as recommended and specified by crystal suppliers.
38
For a reliable start of the oscillation in crystal mode it is required that VBAT ≥ 3.0 V. A running oscillation is maintained across the full VBAT voltage range.
39
If the shaper unit is enabled and not bypassed.
40
If the shaper unit is bypassed, dedicated DC-thresholds have to be met.
41
Hysteresis is implemented to avoid metastable states and switching due to internal ground bounce. It can not be guaranteed that it suppresses switching due to external system noise.
42
CPU executing code from Flash, all peripherals idle.
43
IDDP decreases typically by approximately 5 mA when fSYS decreases by 10 MHz, at constant TJ .
44
CPU executing code from Flash.
45
CPU in sleep, all peripherals idle, Flash in Active mode.
46
CPU in sleep, Flash in Active mode.
47
CPU in sleep, peripherals disabled, after wake-up code execution from RAM.
48
To wake-up the Flash from its Sleep mode, fCPU ≥ 1 MHz is required.
49
OSC_ULP operating with external crystal on RTC_XTAL.
50
OSC_ULP off, Hibernate domain operating with OSC_SI clock.
51
VBAT supplied, but Hibernate domain not started; for example state after factory assembly.
52
Test Power Loop: fSYS = 144 MHz, CPU executing benchmark code from Flash, all CCUs in 100 kHz timer mode, all ADC groups in continuous conversion mode, USICs as SPI in internal loop-back mode, CAN in 500 kHz internal loop-back mode, interrupt triggered DMA block transfers to parity protected RAMs and FCE, DTS measurements and FPU calculations.
The power consumption of each customer application will most probably be lower than this value, but must be evaluated separately.
53
Sum of currents of all active converters (ADC and DAC).
54
Enabling the fCCU clock for the CCU4x/CCU8x modules adds approximately IPER = 4.8 mA, disregarding which and how many of those peripherals are enabled.
55
The current consumption of the analog components are given in the dedicated Datasheet sections of the respective peripheral.
56
In case the Program Verify feature detects weak bits, these bits will be programmed once more. The reprogramming takes an additional time of 5.5 ms.
57
The following formula applies to the wait state configuration: FCON.WSPFLASH × (1/ fCPU ) ≥ ta .
58
Storage and inactive time included.
59
Values given are valid for an average weighted junction temperature of TJ = 110°C.
60
Only valid with robust EEPROM emulation algorithm, equally cycling the logical sectors. For more details see the Reference Manual.
61
Minimum threshold for reset assertion.
62
Maximum threshold for reset deassertion.
63
The VDDP monitoring has a typical hysteresis of VPORHYS = 180 mV.
64
If tPR is not met, low spikes on may be seen during start up (e.g. reset pulses generated by the supply monitoring due to a slow ramping VDDP ).
65
50% for even K2 divider values, 50±(10/K2) for odd K2 divider values.
66
Error in addition to the accuracy of the reference clock.
67
Automatic calibration compensates variations of the temperature and in the VDDP supply voltage.
68
Deviations from the nominal VDDP voltage induce an additional error to the uncalibrated and/or factory calibrated oscillator frequency.
69
The falling edge on TCK is used to generate the TDO timing.
70
The setup time for TDO is given implicitly by the TCK cycle time.
71
tPB = 1/ fPB
72
This input timing is valid for asynchronous input signal handling of slave select input, shift clock input, and receive data input (bits DXnCR.DSEN = 0).
73
Due to the wired-AND configuration of an IIC bus system, the port drivers of the SCL and SDA signal lines need to operate in open-drain mode. The high level on these lines must be held by an external pull-up device, approximately 10 kOhm for operation at 100 kbit/s, approximately 2 kOhm for operation at 400 kbit/s.
74
Due to the wired-AND configuration of an IIC bus system, the port drivers of the SCL and SDA signal lines need to operate in open-drain mode. The high level on these lines must be held by an external pull-up device, approximately 10 kOhm for operation at 100 kbit/s, approximately 2 kOhm for operation at 400 kbit/s.
75
Cb refers to the total capacitance of one bus line in pF.
76
Reference card timing values for calculation examples. Not subject to production test and not characterized.
77
Reference card timing values for calculation examples. Not subject to production test and not characterized.
78
additional delay form logic and pad, number is added after characterization
79
additional shaping delay, number is added after characterization
80
Device mounted on a 4-layer JEDEC board (JESD 51-7) with thermal vias; exposed pad soldered.