XMC4100/XMC4200
XMC4000 Family
Microcontroller Series for Industrial Applications
ARM®
Cortex®-M4
32-bit processor core
Datasheet
About this Document
This datasheet is addressed to embedded hardware and software developers. It provides the reader with detailed descriptions about the ordering designations, available features, electrical and physical characteristics of the XMC4[12]00 series devices.
The document describes the characteristics of a superset of the XMC4[12]00 series devices. For simplicity, the various device types are referred to by the collective term XMC4[12]00 throughout this manual.
XMC4000 Family User Documentation
The set of user documentation includes:
Reference Manual
describes the functionality of the superset of devices.
Datasheets
list the complete ordering designations, available features and electrical characteristics of derivative devices.
Errata Sheets
list deviations from the specifications given in the related Reference Manual or Datasheets. Errata Sheets are provided for the superset of devices.
Please consult all parts of the documentation set to attain consolidated knowledge about your device.
Application related guidance is provided by
Users Guides
and
Application Notes
.
Please refer to
to get access to the latest versions of those documents.
Summary of Features
The XMC4[12]00 devices are members of the XMC4000 Family of microcontrollers based on the ARM Cortex-M4 processor core. The XMC4000 is a family of high performance and energy efficient microcontrollers optimized for Industrial Connectivity, Industrial Control, Power Conversion, Sense & Control.
Figure 1. System Block Diagram
CPU Subsystem
CPU Core
High Performance 32-bit ARM Cortex-M4 CPU
16-bit and 32-bit Thumb2 instruction set
DSP/MAC instructions
System timer (SysTick) for Operating System support
Floating Point Unit
Memory Protection Unit
Nested Vectored Interrupt Controller
One General Purpose DMA with up-to 8 channels
Event Request Unit (ERU) for programmable processing of external and internal service requests
Flexible CRC Engine (FCE) for multiple bit error detection
On-Chip Memories
16 KB on-chip boot ROM
up to 16 KB on-chip high-speed program memory
up to 24 KB on-chip high speed data memory
up to 256 KB on-chip Flash Memory with 1 KB instruction cache
Communication Peripherals
Universal Serial Bus, USB 2.0 device, with integrated PHY
Controller Area Network interface (MultiCAN), Full-CAN/Basic-CAN with two nodes, 64 message objects (MO), data rate up to 1 MBit/s
Four Universal Serial Interface Channels (USIC), providing four serial channels, usable as UART, double-SPI, quad-SPI, IIC, IIS and LIN interfaces
LED and Touch-Sense Controller (LEDTS) for Human-Machine interface
Analog Frontend Peripherals
Two Analog-Digital Converters (VADC) of 12-bit resolution, 8 channels each, with input out-of-range comparators
Digital-Analog Converter (DAC) with two channels of 12-bit resolution
Industrial Control Peripherals
Two Capture/Compare Units 4 (CCU4) for use as general purpose timers
One Capture/Compare Units 8 (CCU8) for motor control and power conversion
Four High Resolution PWM (HRPWM) channels
One Position Interface (POSIF) for servo motor positioning
Window Watchdog Timer (WDT) for safety sensitive applications
Die Temperature Sensor (DTS)
Real Time Clock module with alarm support
System Control Unit (SCU) for system configuration and control
Input/Output Lines
Programmable port driver control module (PORTS)
Individual bit addressability
Tri-stated in input mode
Push/pull or open drain output mode
Boundary scan test support over JTAG interface
On-Chip Debug Support
Full support for debug features: 8 breakpoints, CoreSight, trace
Various interfaces: ARM-JTAG, SWD, single wire trace
Ordering Information
The ordering code for an Infineon microcontroller provides an exact reference to a specific product. The code “XMC4<DDD>-<Z><PPP><T><FFFF>” identifies:
<DDD> the derivatives function set
<Z> the package variant
E: LFBGA
F: LQFP, TQFP
Q: VQFN
<PPP> package pin count
<T> the temperature range:
F: -40°C to 85°C
K: -40°C to 125°C
<FFFF> the Flash memory size.
For ordering codes for the XMC4[12]00 please contact your sales representative or local distributor.
This document describes several derivatives of the XMC4100 and XMC4200 series, some descriptions may not apply to a specific product. Please see
Table 1
.
For simplicity the term
XMC4[12]00
is used for all derivatives throughout this document.
Device Types
These device types are available and can be ordered through Infineon’s direct and/or distribution channels.
Derivative 1 | Package | Flash Kbytes | SRAM Kbytes |
|---|---|---|---|
XMC4200-F64x256 | PG-yQFP-64 | 256 | 40 |
XMC4200-Q48x256 | PG-VQFN-48 | 256 | 40 |
XMC4100-F64x128 | PG-yQFP-64 2 | 128 | 20 |
XMC4100-Q48x128 | PG-VQFN-48 | 128 | 20 |
XMC4104-F64x64 | PG-yQFP-64 2 | 64 | 20 |
XMC4104-Q48x64 | PG-VQFN-48 | 64 | 20 |
XMC4104-F64x128 | PG-yQFP-64 2 | 128 | 20 |
XMC4104-Q48x128 | PG-VQFN-48 | 128 | 20 |
XMC4108-F64x64 | PG-yQFP-64 2 | 64 | 20 |
XMC4108-Q48x64 | PG-VQFN-48 | 64 | 20 |
Package Variants
Different markings of the XMC4[12]00 use different package variants. Details of those packages are given in the Package Parameters section of the datasheet.
Package Variant | Marking | Package |
|---|---|---|
XMC4[12]00-F64 | EES-AA, ES-AA, ES-AB, AB | PG-LQFP-64-19 |
XMC4[12]00-Q48 | PG-VQFN-48-53 | |
XMC4[12]00-F64 | BA | PG-TQFP-64-19 |
XMC4[12]00-Q48 | PG-VQFN-48-71 |
Device Type Features
The following table lists the available features per device type.
Derivative 3 | LEDTS Intf. | USB Intf. | USIC Chan. | MultiCAN Nodes, MO |
|---|---|---|---|---|
XMC4200-F64x256 | 1 | 1 | 2 x 2 | N0, N1 MO[0..63] |
XMC4200-Q48x256 | 1 | 1 | 2 x 2 | N0, N1 MO[0..63] |
XMC4100-F64x128 | 1 | 1 | 2 x 2 | N0, N1 MO[0..63] |
XMC4100-Q48x128 | 1 | 1 | 2 x 2 | N0, N1 MO[0..63] |
XMC4104-F64x64 | 1 | – | 2 x 2 | – |
XMC4104-Q48x64 | 1 | - | 2 x 2 | – |
XMC4104-F64x128 | 1 | – | 2 x 2 | – |
XMC4104-Q48x128 | 1 | – | 2 x 2 | – |
XMC4108-F64x64 | – | – | 2 x 2 | N0, MO[0..31] |
XMC4108-Q48x64 | – | – | 2 x 2 | N0, MO[0..31] |
Derivative 4 | ADC Chan. | DAC Chan. | CCU4 Slice | CCU8 Slice | POSIF Intf. | HRPWM Intf. |
|---|---|---|---|---|---|---|
XMC4200-F64x256 | 10 | 2 | 2 x 4 | 1 x 4 | 1 | 1 |
XMC4200-Q48x256 | 9 | 2 | 2 x 4 | 1 x 4 | 1 | 1 |
XMC4100-F64x128 | 10 | 2 | 2 x 4 | 1 x 4 | 1 | 1 |
XMC4100-Q48x128 | 9 | 2 | 2 x 4 | 1 x 4 | 1 | 1 |
XMC4104-F64x64 | 10 | 2 | 2 x 4 | 1 x 4 | 1 | 1 |
XMC4104-Q48x64 | 9 | 2 | 2 x 4 | 1 x 4 | 1 | 1 |
XMC4104-F64x128 | 10 | 2 | 2 x 4 | 1 x 4 | 1 | 1 |
XMC4104-Q48x128 | 9 | 2 | 2 x 4 | 1 x 4 | 1 | 1 |
XMC4108-F64x64 | 10 | 2 | 2 x 4 | 1 x 4 | 1 | – |
XMC4108-Q48x64 | 9 | 2 | 2 x 4 | 1 x 4 | 1 | – |
Definition of Feature Variants
The XMC4[12]00 types are offered with several memory sizes and number of available VADC channels. Table 5 describes the location of the available Flash memory, Table 6 describes the location of the available SRAMs, Table 7 the available VADC channels.
Total Flash Size | Cached Range | Uncached Range |
|---|---|---|
256 Kbytes | 0800 0000 – 0803 FFFF | 0C00 0000 – 0C03 FFFF |
128 Kbytes | 0800 0000 – 0801 FFFF | 0C00 0000 – 0C01 FFFF |
64 Kbytes | 0800 0000 – 0800 FFFF | 0C00 0000 – 0C00 FFFF |
Total SRAM Size | Program SRAM | System Data SRAM |
|---|---|---|
40 Kbytes | 1FFF C000 – 1FFF FFFF | 2000 0000 – 2000 5FFF |
20 Kbytes | 1FFF E000 – 1FFF FFFF | 2000 0000 – 2000 2FFF |
Package | VADC G0 | VADC G1 |
|---|---|---|
LQFP-64, TQFP-64 | CH0, CH3..CH7 | CH0, CH1, CH3, CH6 |
PG-VQFN-48 | CH0, CH3..CH7 | CH0, CH1, CH3 |
Identification Registers
The identification registers allow software to identify the marking.
Register Name | Value | Marking |
|---|---|---|
SCU_IDCHIP | 0004 2001 | EES-AA, ES-AA |
SCU_IDCHIP | 0004 2002 | ES-AB, AB |
SCU_IDCHIP | 0004 2003 | BA |
JTAG IDCODE | 101D D083 | EES-AA, ES-AA |
JTAG IDCODE | 201D D083 | ES-AB, AB |
JTAG IDCODE | 301D D083 | BA |
Register Name | Value | Marking |
|---|---|---|
SCU_IDCHIP | 0004 2001 | EES-AA, ES-AA |
SCU_IDCHIP | 0004 2002 | ES-AB, AB |
SCU_IDCHIP | 0004 1003 | BA |
JTAG IDCODE | 101D D083 | EES-AA, ES-AA |
JTAG IDCODE | 201D D083 | ES-AB, AB |
JTAG IDCODE | 301D D083 | BA |
General Device Information
This section summarizes the logic symbols and package pin configurations with a detailed list of the functional I/O mapping.
Logic Symbols
Figure 2. XMC4[12]00 Logic Symbol PG-LQFP-64 and PG-TQFP-64
Figure 3. XMC4[12]00 Logic Symbol PG-VQFN-48
Pin Configuration and Definition
The following figures summarize all pins, showing their locations on the different packages.
Figure 4. XMC4[12]00 PG-LQFP-64 and PG-TQFP-64 Pin Configuration (top view)
Figure 5. XMC4[12]00 PG-VQFN-48 Pin Configuration (top view)
Package Pin Summary
The following general scheme is used to describe each pin:
Function | Package A | Package B | ... | Pad Type | Notes |
|---|---|---|---|---|---|
Name | N | Ax | ... | A1+ |
The table is sorted by the “Function” column, starting with the regular Port pins (Px.y), followed by the dedicated pins (i.e.
) and supply pins.The following columns, titled with the supported package variants, lists the package pin number to which the respective function is mapped in that package.
The “Pad Type” indicates the employed pad type (A1, A1+, special=special pad, In=input pad, AN/DIG_IN=analog and digital input, Power=power supply). Details about the pad properties are defined in the Electrical Parameters.
In the “Notes”, special information to the respective pin/function is given, i.e. deviations from the default configuration after reset. Per default the regular Port pins are configured as direct input with no internal pull device active.
Function | LQFP-64 TQFP-64 | VQFN-48 | Pad Type | Notes |
|---|---|---|---|---|
P0.0 | 2 | 2 | A1+ | |
P0.1 | 1 | 1 | A1+ | |
P0.2 | 64 | 48 | A1+ | |
P0.3 | 63 | 47 | A1+ | |
P0.4 | 62 | 46 | A1+ | |
P0.5 | 61 | 45 | A1+ | |
P0.6 | 60 | 44 | A1+ | |
P0.7 | 58 | 43 | A1+ | After a system reset, via HWSEL this pin selects the DB.TDI function. |
P0.8 | 57 | 42 | A1+ | After a system reset, via HWSEL this pin selects the function, with a weak pull-down active. |
P0.9 | 4 | – | A1+ | |
P0.10 | 3 | – | A1+ | |
P0.11 | 59 | – | A1+ | |
P1.0 | 52 | 40 | A1+ | |
P1.1 | 51 | 39 | A1+ | |
P1.2 | 50 | 38 | A1+ | |
P1.3 | 49 | 37 | A1+ | |
P1.4 | 48 | 36 | A1+ | |
P1.5 | 47 | 35 | A1+ | |
P1.7 | 55 | – | A1+ | |
P1.8 | 54 | – | A1+ | |
P1.9 | 53 | – | A1+ | |
P1.15 | 46 | – | A1+ | |
P2.0 | 34 | 26 | A1+ | |
P2.1 | 33 | 25 | A1+ | After a system reset, via HWSEL this pin selects the DB.TDO function. |
P2.2 | 32 | 24 | A1+ | |
P2.3 | 31 | 23 | A1+ | |
P2.4 | 30 | 22 | A1+ | |
P2.5 | 29 | 21 | A1+ | |
P2.6 | 36 | – | A1+ | |
P2.7 | 35 | – | A1+ | |
P2.8 | 28 | – | A1+ | |
P2.9 | 27 | – | A1+ | |
P2.14 | 26 | – | A1+ | |
P2.15 | 25 | – | A1+ | |
P3.0 | 5 | – | A1+ | |
P14.0 | 20 | 16 | AN/DIG_IN | |
P14.3 | 19 | 15 | AN/DIG_IN | |
P14.4 | 18 | 14 | AN/DIG_IN | |
P14.5 | 17 | 13 | AN/DIG_IN | |
P14.6 | 16 | 12 | AN/DIG_IN | |
P14.7 | 15 | 11 | AN/DIG_IN | |
P14.8 | 24 | 20 | AN/DAC/DIG_IN | |
P14.9 | 23 | 19 | AN/DAC/DIG_IN | |
P14.14 | 14 | – | AN/DIG_IN | |
USB_DP | 7 | 4 | special | |
USB_DM | 6 | 3 | special | |
HIB_IO_0 | 10 | 7 | A1 special | At the first power-up and with every reset of the hibernate domain this pin is configured as open-drain output and drives "0". As output the medium driver mode is active. |
TCK | 45 | 34 | A1 | Weak pull-down active. |
TMS | 44 | 33 | A1+ | Weak pull-up active. As output the strong-soft driver mode is active. |
43 | 32 | special | Strong pull-down controlled by EVR. Weak pull-up active while strong pull-down is not active. | |
XTAL1 | 39 | 29 | clock_IN | |
XTAL2 | 40 | 30 | clock_O | |
RTC_XTAL1 | 11 | 8 | clock_IN | |
RTC_XTAL2 | 12 | 9 | clock_O | |
VBAT | 13 | 10 | Power | When VDDP is supplied VBAT has to be supplied as well. |
VDDA/VAREF | 22 | 18 | AN_Power/AN_Ref | Shared analog supply and reference voltage pin. |
VSSA/VAGND | 21 | 17 | AN_Power/AN_Ref | Shared analog supply and reference ground pin. |
VDDC | 9 | 6 | Power | |
VDDC | 42 | 31 | Power | |
VDDP | 8 | 5 | Power | |
VDDP | 38 | 28 | Power | |
VDDP | 56 | 41 | Power | |
VSS | 37 | 27 | Power | |
VSSO | 41 | – | Power | |
VSS | Exp. Pad | Exp. Pad | Power | Exposed Die
Pad The exposed die pad is connected internally to VSS. For proper operation, it is mandatory to connect the exposed pad directly to the common ground on the board. For thermal aspects, please refer to the Datasheet. Board layout examples are given in an application note. |
Port I/O Functions
The following general scheme is used to describe each PORT pin:
Function | Outputs | Inputs | ||||
|---|---|---|---|---|---|---|
ALT1 | ALTn | HWO0 | HWI0 | Input | Input | |
P0.0 | MODA.OUT | MODB.OUT | MODB.INA | MODC.INA | ||
Pn.y | MODA.OUT | MODA.INA | MODC.INB | |||
Figure 6. Simplified Port Structure
Pn.y is the port pin name, defining the control and data bits/registers associated with it. As GPIO, the port is under software control. Its input value is read via Pn_IN.y, Pn_OUT defines the output value.
Up to four alternate output functions (ALT1/2/3/4) can be mapped to a single port pin, selected by Pn_IOCR.PC. The output value is directly driven by the respective module, with the pin characteristics controlled by the port registers (within the limits of the connected pad).
The port pin input can be connected to multiple peripherals. Most peripherals have an input multiplexer to select between different possible input sources.
The input path is also active while the pin is configured as output. This allows to feedback an output to on-chip resources without wasting an additional external pin.
By Pn_HWSEL it is possible to select between different hardware “masters” (HWO0/HWI0). The selected peripheral can take control of the pin(s). Hardware control overrules settings in the respective port pin registers.
Port I/O Function Table
Function | Output | Input | ||||||||||||
|---|---|---|---|---|---|---|---|---|---|---|---|---|---|---|
ALT1 | ALT2 | ALT3 | ALT4 | HWO0 | HWI0 | Input | Input | Input | Input | Input | Input | Input | Input | |
P0.0 | CAN. N0_TXD | CCU80.OUT21 | LEDTS0.COL2 | U1C1. DX0D | ERU0.0B0 | USB.VBUSDETECT A | HRPWM0.C1INB | |||||||
P0.1 | U1C1. DOUT0 | CCU80.OUT11 | LEDTS0.COL3 | ERU0.0A0 | HRPWM0.C2INB | |||||||||
P0.2 | U1C1. SELO1 | CCU80.OUT01 | HRPWM0.HROUT01 | U1C0. DOUT3 | U1C0. HWIN3 | ERU0.3B3 | ||||||||
P0.3 | CCU80.OUT20 | HRPWM0.HROUT20 | U1C0. DOUT2 | U1C0. HWIN2 | ERU1.3B0 | |||||||||
P0.4 | CCU80.OUT10 | HRPWM0.HROUT21 | U1C0. DOUT1 | U1C0. HWIN1 | U1C0.DX0A | ERU0.2B3 | ||||||||
P0.5 | U1C0. DOUT0 | CCU80.OUT00 | HRPWM0.HROUT00 | U1C0. DOUT0 | U1C0. HWIN0 | U1C0.DX0B | ERU1.3A0 | |||||||
P0.6 | U1C0. SELO0 | CCU80.OUT30 | HRPWM0.HROUT30 | U1C0.DX2A | ERU0.3B2 | CCU80.IN2B | ||||||||
P0.7 | WWDT.SERVICE_OUT | U0C0. SELO0 | HRPWM0.HROUT11 | DB.TDI | U0C0. DX2B | ERU0.2B1 | CCU80.IN0A | CCU80.IN1A | CCU80.IN2A | CCU80.IN3A | ||||
P0.8 | SCU.EXTCLK | U0C0. SCLKOUT | HRPWM0.HROUT10 | U0C0. DX1B | ERU0.2A1 | CCU80.IN1B | ||||||||
P0.9 | HRPWM0.HROUT31 | U1C1. SELO0 | CCU80.OUT12 | LEDTS0.COL0 | U1C1. DX2A | ERU0.1B0 | ||||||||
P0.10 | U1C1. SCLKOUT | CCU80.OUT02 | LEDTS0.COL1 | U1C1. DX1A | ERU0.1A0 | |||||||||
P0.11 | U1C0. SCLKOUT | CCU80.OUT31 | U1C0.DX1A | ERU0.3A2 | ||||||||||
P1.0 | U0C0. SELO0 | CCU40.OUT3 | ERU1.PDOUT3 | U0C0. DX2A | ERU0.3B0 | CCU40.IN3A | HRPWM0.C0INA | |||||||
P1.1 | U0C0. SCLKOUT | CCU40.OUT2 | ERU1.PDOUT2 | U0C0. DX1A | POSIF0.IN2A | ERU0.3A0 | CCU40.IN2A | HRPWM0.C1INA | ||||||
P1.2 | CCU40.OUT1 | ERU1.PDOUT1 | U0C0. DOUT3 | U0C0. HWIN3 | POSIF0.IN1A | ERU1.2B0 | CCU40.IN1A | HRPWM0.C2INA | ||||||
P1.3 | U0C0. MCLKOUT | CCU40.OUT0 | ERU1.PDOUT0 | U0C0. DOUT2 | U0C0. HWIN2 | POSIF0.IN0A | ERU1.2A0 | CCU40.IN0A | HRPWM0.C0INB | |||||
P1.4 | WWDT.SERVICE_OUT | CAN. N0_TXD | CCU80.OUT33 | U0C0. DOUT1 | U0C0. HWIN1 | U0C0. DX0B | CAN.N1_RXDD | ERU0.2B0 | CCU41.IN0C | HRPWM0.BL0A | ||||
P1.5 | CAN.N1_TXD | U0C0. DOUT0 | CCU80.OUT23 | U0C0. DOUT0 | U0C0. HWIN0 | U0C0. DX0A | CAN.N0_RXDA | ERU0.2A0 | ERU1.0A0 | CCU41.IN1C | ||||
P1.7 | U0C0. DOUT0 | U1C1.SELO2 | USB.VBUSDETECT B | |||||||||||
P1.8 | U0C0. SELO1 | U1C1.SCLKOUT | ||||||||||||
P1.9 | U0C0.SCLKOUT | U1C1.DOUT0 | ||||||||||||
P1.15 | SCU.EXTCLK | U1C0.DOUT0 | ERU1.1A0 | |||||||||||
P2.0 | CAN.N0_TXD | LEDTS0.COL1 | ERU0.0B3 | CCU40.IN1C | ||||||||||
P2.1 | LEDTS0.COL0 | DB.TDO/TRACESWO | ERU1.0B0 | CCU40.IN0C | ||||||||||
P2.2 | VADC.EMUX00 | CCU41.OUT3 | LEDTS0.LINE0 | LEDTS0.EXTENDED0 | LEDTS0.TSIN0A | U0C1.DX0A | ERU0.1B2 | CCU41.IN3A | ||||||
P2.3 | VADC.EMUX01 | U0C1. SELO0 | CCU41.OUT2 | LEDTS0.LINE1 | LEDTS0.EXTENDED1 | LEDTS0.TSIN1A | U0C1.DX2A | ERU0.1A2 | CCU41.IN2A | |||||
P2.4 | VADC.EMUX02 | U0C1. SCLKOUT | CCU41.OUT1 | LEDTS0.LINE2 | LEDTS0.EXTENDED2 | LEDTS0.TSIN2A | U0C1.DX1A | ERU0.0B2 | CCU41.IN1A | HRPWM0.BL1A | ||||
P2.5 | U0C1. DOUT0 | CCU41.OUT0 | LEDTS0.LINE3 | LEDTS0.EXTENDED3 | LEDTS0.TSIN3A | U0C1.DX0B | ERU0.0A2 | CCU41.IN0A | HRPWM0.BL2A | |||||
P2.6 | CCU80.OUT13 | LEDTS0.COL3 | CAN.N1_RXDA | ERU0.1B3 | CCU40.IN3C | |||||||||
P2.7 | CAN. N1_TXD | CCU80.OUT03 | LEDTS0.COL2 | ERU1.1B0 | CCU40.IN2C | |||||||||
P2.8 | CCU80.OUT32 | LEDTS0.LINE4 | LEDTS0.EXTENDED4 | LEDTS0.TSIN4A | DAC.TRIGGER5 | CCU40.IN0B | CCU40.IN1B | CCU40.IN2B | CCU40.IN3B | |||||
P2.9 | CCU80.OUT22 | LEDTS0.LINE5 | LEDTS0.EXTENDED5 | LEDTS0.TSIN5A | DAC.TRIGGER4 | CCU41.IN0B | CCU41.IN1B | CCU41.IN2B | CCU41.IN3B | |||||
P2.14 | VADC.EMUX11 | U1C0. DOUT0 | CCU80.OUT21 | U1C0.DX0D | ||||||||||
P2.15 | VADC.EMUX12 | CCU80.OUT11 | LEDTS0.LINE6 | LEDTS0.EXTENDED6 | LEDTS0.TSIN6A | U1C0.DX0C | ||||||||
P3.0 | U0C1. SCLKOUT | U0C1.DX1B | CCU80.IN2C | |||||||||||
P14.0 | VADC.G0CH0 | |||||||||||||
P14.3 | VADC.G0CH3 | VADC.G1CH3 | CAN.N0_RXDB | |||||||||||
P14.4 | VADC.G0CH4 | |||||||||||||
P14.5 | VADC.G0CH5 | POSIF0.IN2B | ||||||||||||
P14.6 | VADC.G0CH6 | POSIF0.IN1B | G0ORC6 | |||||||||||
P14.7 | VADC.G0CH7 | POSIF0.IN0B | ||||||||||||
P14.8 | DAC.OUT_0 | VADC.G1CH0 | ||||||||||||
P14.9 | DAC.OUT_1 | VADC.G1CH1 | ||||||||||||
P14.14 | VADC.G1CH6 | G1ORC6 | ||||||||||||
USB_DP | ||||||||||||||
USB_DM | ||||||||||||||
HIB_IO_0 | HIBOUT | WWDT. SERVICE_OUT | WAKEUPA | USB.VBUSDETECT C | ||||||||||
TCK | DB.TCK/SWCLK | |||||||||||||
TMS | DB.TMS/SWDIO | |||||||||||||
XTAL1 | U0C0.DX0F | U0C1.DX0F | U1C0.DX0F | U1C1.DX0F | ||||||||||
XTAL2 | ||||||||||||||
RTC_XTAL1 | ERU0.1B1 | |||||||||||||
RTC_XTAL2 | ||||||||||||||
Power Connection Scheme
shows a reference power connection scheme for the XMC4[12]00.
Figure 7. Power Connection Scheme
Every power supply pin needs to be connected. Different pins of the same supply need also to be externally connected. As example, all VDDP pins must be connected externally to one VDDP net. In this reference scheme one 100 nF capacitor is connected at each supply pin against VSS . An additional 10 µF capacitor is connected to the VDDP nets and an additional 4.7uF capacitor to the VDDC nets.
The XMC4[12]00 has a common ground concept, all VSS , VSSA and VSSO pins share the same ground potential. In packages with an exposed die pad it must be connected to the common ground as well.
There are no dedicated connections for the analog reference VAREF and VAGND . Instead, they share the same pins as the analog supply pins VDDA and VSSA . Some analog channels can optionally serve as “Alternate Reference”; further details on this operating mode are described in the Reference Manual.
When VDDP is supplied, VBAT must be supplied as well. If no other supply source (e.g. battery) is connected to VBAT , the VBAT pin can also be connected directly to VDDP .
Electrical Parameters
General Parameters
Parameter Interpretation
The parameters listed in this section partly represent the characteristics of the XMC4[12]00 and partly its requirements on the system. To aid interpreting the parameters easily when evaluating them for a design, they are marked with an two-letter abbreviation in column “Symbol”:
CC
Such parameters indicate
C
ontroller
C
haracteristics, which are a distinctive feature of the XMC4[12]00 and must be regarded for system design.
SR
Such parameters indicate
S
ystem
R
equirements, which must be provided by the application system in which the XMC4[12]00 is designed in.
Absolute Maximum Ratings
Stresses above the values listed under “Absolute Maximum Ratings” may cause permanent damage to the device. This is a stress rating only and functional operation of the device at these or any other conditions above those indicated in the operational sections of this specification is not implied. Exposure to absolute maximum rating conditions may affect device reliability.
Parameter | Symbol | Values | Unit | Note/Test Condition | ||
|---|---|---|---|---|---|---|
Min. | Typ. | Max. | ||||
Storage temperature | TST SR | -65 | – | 150 | °C | – |
Junction temperature | TJ SR | -40 | – | 150 | °C | – |
Voltage at 3.3 V power supply pins with respect to VSS | VDDP SR | – | – | 4.3 | V | – |
Voltage on any Class A and dedicated input pin with respect to VSS | VIN SR | -1.0 | – | VDDP + 1.0 or max. 4.3 | V | whichever is lower |
Voltage on any analog input pin with respect to VAGND | VAIN VAREF SR | -1.0 | – | VDDP + 1.0 or max. 4.3 | V | whichever is lower |
Input current on any pin during overload condition | IIN SR | -10 | – | +10 | mA | |
Absolute maximum sum of all input circuit currents for one port group during overload condition 6 | Σ IIN SR | -25 | – | +25 | mA | |
Absolute maximum sum of all input circuit currents during overload condition | Σ IIN SR | -100 | – | +100 | mA | |
explains the input voltage ranges of VIN and VAIN and its dependency to the supply level of VDDP . The input voltage must not exceed 4.3 V, and it must not be more than 1.0 V above VDDP . For the range up to VDDP
- 1.0 V also see the definition of the overload conditions in Pin Reliability in Overload .
Figure 8. Absolute Maximum Input Voltage Ranges
Pin Reliability in Overload
When receiving signals from higher voltage devices, low-voltage devices experience overload currents and voltages that go beyond their own IO power supplies specification.
defines overload conditions that will not cause any negative reliability impact if all the following conditions are met:
full operation life-time is not exceeded
Operating Conditions
are met for
pad supply levels ( VDDP or VDDA )
temperature
If a pin current is outside of the
Operating Conditions
but within the overload parameters, then the parameters functionality of this pin as stated in the Operating Conditions can no longer be guaranteed. Operation is still possible in most cases but with relaxed parameters.
Note:
An overload condition on one or more pins does not require a reset.
Note:
A series resistor at the pin to limit the current to the maximum permitted overload current is sufficient to handle failure situations like short to battery.
Parameter | Symbol | Values | Unit | Note/Test Condition | ||
|---|---|---|---|---|---|---|
Min. | Typ. | Max. | ||||
Input current on any port pin during overload condition | IOV SR | -5 | – | 5 | mA | |
Absolute sum of all input circuit currents for one port group during overload condition 7 | IOVG SR | – | – | 20 | mA | Σ| IOVx |, for all IOVx < 0 mA |
– | – | 20 | mA | Σ| IOVx |, for all IOVx > 0 mA | ||
Absolute sum of all input circuit currents during overload condition | IOVS SR | – | – | 80 | mA | Σ IOVG |
shows the path of the input currents during overload via the ESD protection structures. The diodes against VDDP and ground are a simplified representation of these ESD protection structures.
Figure 9. Input Overload Current via ESD structures
and
Table 17
list input voltages that can be reached under overload conditions. Note that the absolute maximum input voltages as defined in the
Absolute Maximum Ratings
must not be exceeded during overload.
Pad Type | IOV = 5 mA, TJ = -40°C | IOV = 5 mA, TJ = 150°C |
|---|---|---|
A1/A1+ | VIN = VDDP + 1.0 V | VIN = VDDP+ 0.75 V |
AN/DIG_IN | VIN = VDDP + 1.0 V | VIN = VDDP + 0.75 V |
Pad Type | IOV = 5 mA, TJ = -40°C | IOV = 5 mA, TJ = 150°C |
|---|---|---|
A1/A1+ | VIN = VSS - 1.0 V | VIN = VSS - 0.75 V |
AN/DIG_IN | VIN = VDDP - 1.0 V | VIN = VDDP - 0.75 V |
Group | Pins |
|---|---|
1 | P0.[12:0], P3.0 |
2 | P14.[8:0] |
3 | P2.[15:0] |
4 | P1.[15:0] |
Pad Driver and Pad Classes Summary
This section gives an overview on the different pad driver classes and its basic characteristics. More details (mainly DC parameters) are defined in the
Input/Output Pins
.
Class | Power Supply | Type | Sub-Class | Speed Grade | Load | Termination |
|---|---|---|---|---|---|---|
A | 3.3 V | LVTTL I/O, LVTTL outputs | A1 (e.g. GPIO) | 6 MHz | 100 pF | No |
A1+ (e.g. serial I/Os) | 25 MHz | 50 pF | Series termination recommended |
Figure 10. Output Slopes with different Pad Driver Modes
is a qualitative display of the resulting output slope performance with different output driver modes. The detailed input and output characteristics are listed in
Input/Output Pins
.
Operating Conditions
The following operating conditions must not be exceeded in order to ensure correct operation and reliability of the XMC4[12]00. All parameters specified in the following tables refer to these operating conditions, unless noted otherwise.
Parameter | Symbol | Values | Unit | Note/Test Condition | ||
|---|---|---|---|---|---|---|
Min. | Typ. | Max. | ||||
Ambient Temperature | TA SR | -40 | – | 85 | °C | Temp. Range F |
-40 | – | 125 | °C | Temp. Range K | ||
Digital supply voltage | VDDP SR | 3.13 | 3.3 | 3.63 | V | |
Core Supply Voltage | VDDC CC | – 8 | 1.3 | – | V | Generated internally |
Digital ground voltage | VSS SR | 0 | – | – | V | |
ADC analog supply voltage | VDDA SR | 3.0 | 3.3 | 3.6 9 | V | |
Analog ground voltage for VDDA | VSSA SR | -0.1 | 0 | 0.1 | V | |
Battery Supply Voltage for Hibernate Domain 10 | VBAT SR | 1.95 11 | – | 3.63 | V | When VDDP is supplied VBAT has to be supplied as well. |
System Frequency | fSYS SR | – | – | 80 | MHz | |
Short circuit current of digital outputs | ISC SR | -5 | – | 5 | mA | |
Absolute sum of short circuit currents per pin group 12 | Σ ISC_PG SR | – | – | 20 | mA | |
Absolute sum of short circuit currents of the device | Σ ISC_D SR | – | – | 100 | mA | |
DC Parameters
Input/Output Pins
The digital input stage of the shared analog/digital input pins is identical to the input stage of the standard digital input/output pins.
The pull-up characteristics (IPUH) and the input high and low voltage levels (VIH and VIL) of the pin are identical to the respective values of the standard digital input/output pins.
Parameter | Symbol | Values | Unit | Note/Test Condition | |
|---|---|---|---|---|---|
Min. | Max. | ||||
Pin capacitance (digital inputs/outputs) | CIO CC | – | 10 | pF | |
Pull-down current | | IPDL | SR | 150 | – | μA | VIN ≥ 0.6 × VDDP |
– | 10 | μA | VIN ≤ 0.36 × VDDP | ||
Pull-up current | | IPUH | SR | – | 10 | μA | 14 VIN ≥ 0.6 × VDDP |
100 | – | μA | 13 VIN ≤ 0.36 × VDDP | ||
Input Hysteresis for pads of all A classes 15 | HYSA CC | 0.1 × VDDP | – | V | |
spike filter always blocked pulse duration | tSF1 CC | – | 10 | ns | |
spike filter pass-through pulse duration | tSF2 CC | 100 | – | ns | |
pull-down current | | IPPD | CC | 13 | – | mA | Vi = 1.0 V |
Figure 11. Pull Device Input Characteristics
visualizes the input characteristics with an active internal pull device:
in the cases “A” the internal pull device is overridden by a strong external driver;
in the cases “B” the internal pull device defines the input logical state against a weak external load.
Parameter | Symbol | Values | Unit | Note/Test Condition | |
|---|---|---|---|---|---|
Min. | Max. | ||||
Input leakage current | IOZA1 CC | -500 | 500 | nA | 0 V ≤ VIN ≤ VDDP |
Input high voltage | VIHA1 SR | 0.6 × VDDP | VDDP + 0.3 | V | max. 3.6 V |
Input low voltage | VILA1 SR | -0.3 | 0.36 × VDDP | V | |
Output high voltage, POD = weak | VOHA1 CC | VDDP - 0.4 | – | V | IOH ≥ -400 μA |
2.4 | – | V | IOH ≥ -500 μA | ||
Output high voltage, POD 16 = medium | VDDP - 0.4 | – | V | IOH ≥ -1.4 mA | |
2.4 | – | V | IOH ≥ -2 mA | ||
Output low voltage | VOLA1 CC | – | 0.4 | V | IOL ≤ 500 μA; POD16 = weak |
– | 0.4 | V | IOL ≤ 2 mA; POD16 = medium | ||
Fall time | tFA1 CC | – | 150 | ns | CL = 20 pF; POD16 = weak |
– | 50 | ns | CL = 50 pF; POD16 = medium | ||
Rise time | tRA1 CC | – | 150 | ns | CL = 20 pF; POD16 = weak |
– | 50 | ns | CL = 50 pF; POD16 = medium | ||
Parameter | Symbol | Values | Unit | Note/Test Condition | |
|---|---|---|---|---|---|
Min. | Max. | ||||
Input leakage current | IOZA1+ CC | -1 | 1 | µA | 0 V ≤ VIN ≤ VDDP |
Input high voltage | VIHA1+ SR | 0.6 × VDDP | VDDP + 0.3 | V | max. 3.6 V |
Input low voltage | VILA1+ SR | -0.3 | 0.36 × VDDP | V | |
Output high voltage, POD = weak | VOHA1+ CC | VDDP - 0.4 | – | V | IOH ≥ -400 μA |
2.4 | – | V | IOH ≥ -500 μA | ||
Output high voltage, POD 17 = medium | VDDP - 0.4 | – | V | IOH ≥ -1.4 mA | |
2.4 | – | V | IOH ≥ -2 mA | ||
Output high voltage, POD 17 = strong | VDDP - 0.4 | – | V | IOH ≥ -1.4 mA | |
2.4 | – | V | IOH ≥ -2 mA | ||
Output low voltage | VOLA1+ CC | – | 0.4 | V | IOL ≤ 500 μA; POD17 = weak |
– | 0.4 | V | IOL ≤ 2 mA; POD17 = medium | ||
– | 0.4 | V | IOL ≤ 2 mA; POD17 = strong | ||
Fall time | tFA1+ CC | – | 150 | ns | CL = 20 pF; POD17 = weak |
– | 50 | ns | CL = 50 pF; POD17 = medium | ||
– | 28 | ns | CL = 50 pF; POD17 = strong; edge = slow | ||
– | 16 | ns | CL = 50 pF; POD17 = strong; edge = soft; | ||
Rise time | tRA1+ CC | – | 150 | ns | CL = 20 pF; POD17 = weak |
– | 50 | ns | CL = 50 pF; POD17 = medium | ||
– | 28 | ns | CL = 50 pF; POD17 = strong; edge = slow | ||
– | 16 | ns | CL = 50 pF; POD17 = strong; edge = soft | ||
Parameter | Symbol | Values | Unit | Note/Test Condition | |
|---|---|---|---|---|---|
Min. | Max. | ||||
Input leakage current | IOZHIB CC | -500 | 500 | nA | 0 V ≤ VIN ≤ VBAT |
Input high voltage | VIHHIB SR | 0.6 × VBAT | VBAT + 0.3 | V | max. 3.6 V |
Input low voltage | VILHIB SR | -0.3 | 0.36 × VBAT | V | |
Input Hysteresis for HIB_IO pins | HYSHIB CC | 0.1 × VBAT | – | V | VBAT ≥ 3.13 V |
0.06 × VBAT | – | V | VBAT < 3.13 V | ||
Output high voltage, POD 18 = medium | VOHHIB CC | VBAT - 0.4 | – | V | IOH ≥ -1.4 mA |
Output low voltage | VOLHIB CC | – | 0.4 | V | IOL ≤ 2 mA |
Fall time | tFHIB CC | – | 50 | ns | VBAT ≥ 3.13 V CL = 50 pF |
– | 100 | ns | VBAT < 3.13 V CL = 50 pF | ||
Rise time | tRHIB CC | – | 50 | ns | VBAT ≥ 3.13 V CL = 50 pF |
– | 100 | ns | VBAT < 3.13 V CL = 50 pF | ||
Analog to Digital Converters (ADCx)
Parameter | Symbol | Values | Unit | Note/Test Condition | ||
|---|---|---|---|---|---|---|
Min. | Typ. | Max. | ||||
Analog reference voltage | VAREF SR | – | – | – | V | VAREF = VDDA shared analog supply and reference input pin |
Alternate reference voltage | VAREF SR | VAGND + 1 | – | VDDA + 0.0520 | V | |
Analog reference ground | VAGND SR | – | – | – | V | VAGND = VSSA shared analog supply and reference input pin |
VAREF - VAGND SR | 1 | – | VDDA + 0.1 | V | ||
Analog input voltage | VAIN SR | VAGND | – | VDDA | V | |
Input leakage at analog inputs 22 | IOZ1 CC | -100 | – | 200 | nA | 0.03 × VDDA < VAIN < 0.97 × VDDA |
-500 | – | 100 | nA | 0 V ≤ VAIN ≤ 0.03 × VDDA | ||
-100 | – | 500 | nA | 0.97 × VDDA ≤ VAIN ≤ VDDA | ||
Internal ADC clock | fADCI CC | 2 | – | 30 | MHz | VDDA = 3.3 V |
Switched capacitance at the analog voltage inputs 23 | CAINSW CC | – | 4 | 6.5 | pF | |
Total capacitance of an analog input | CAINTOT CC | – | 12 | 20 | pF | |
Switched capacitance at the alternate reference voltage input 19 24 | CAREFSW CC | – | 15 | 30 | pF | |
Total capacitance of the alternate reference inputs 19 | CAREFTOT CC | – | 20 | 40 | pF | |
Total Unadjusted Error | TUE CC | -6 | – | 6 | LSB | 12-bit resolution; VDDA = 3.3 V; VAREF = VDDA25 |
Differential Non-Linearity Error | EADNL CC | -4.5 | – | 4.5 | LSB | |
Gain Error 26 | EAGAIN CC | -6 | – | 6 | LSB | |
Integral Non-Linearity 26 | EAINL CC | -4.5 | – | 4.5 | LSB | |
Offset Error 26 | EAOFF CC | -6 | – | 6 | LSB | |
RMS Noise 27 | ENRMS CC | – | 1 | LSB | ||
Worst case ADC VDDA power supply current per active converter | IDDAA CC | – | 1.5 | 2 | mA | during conversion VDDP = 3.6 V, TJ = 150°C |
Charge consumption on alternate reference per conversion 19 | QCONV CC | – | 30 | – | pC | 0 V ≤ VAREF ≤ VDDA30 |
ON resistance of the analog input path | RAIN CC | – | 600 | 1200 | Ohm | |
ON resistance for the ADC test (pull down for AIN7) | RAIN7T CC | 180 | 550 | 900 | Ohm | |
Figure 12.
VADC Reference Voltage Range
The power-up calibration of the ADC requires a maximum number of 4352 fADCI cycles.
Figure 13. ADCx Input Circuits
Figure 14.ADCx Analog Input Leakage Current
Conversion Time
Parameter | Symbol | Values | Unit | Note |
|---|---|---|---|---|
Conversion time | tC CC | 2 × TADC + (2 + N + STC + PC +DM) × TADCI | µs | N = 8, 10, 12 for N-bit conversion TADC = 1/ fPERIPH TADCI = 1/ fADCI |
STC defines additional clock cycles to extend the sample time
PC adds two cycles if post-calibration is enabled
DM adds one cycle for an extended conversion time of the MSB
Conversion Time Examples
System assumptions (max. fADC ):
fADC = 80 MHz i.e. tADC = 12.5 ns, DIVA = 2, fADCI = 26.7 MHz i.e. tADCI = 37.5 ns
According to the given formulas the following minimum conversion times can be achieved (STC = 0, DM = 0):
12-bit post-calibrated conversion (PC = 2):
tCN12C = (2 + 12 + 2) × tADCI + 2 × tADC = 16 × 37.5 ns + 2 × 12.5 ns = 625 ns
12-bit uncalibrated conversion:
tCN12 = (2 + 12) × tADCI + 2 × tADC = 14 × 37.5 ns + 2 × 12.5 ns = 550 ns
10-bit uncalibrated conversion:
tCN10 = (2 + 10) × tADCI + 2 × tADC = 12 × 37.5 ns + 2 × 12.5 ns = 475 ns
8-bit uncalibrated:
tCN8 = (2 + 8) × tADCI + 2 × tADC = 10 × 37.5 ns + 2 × 12.5 ns = 400 ns
System assumptions (max. fADCI ):
fADC = 60 MHz i.e. tADC = 16.67 ns, DIVA = 1, fADCI = 30 MHz i.e. tADCI = 33.33 ns
12-bit post-calibrated conversion (PC = 2):
tCN12C = (2 + 12 + 2) × tADCI + 2 × tADC = 16 × 33.33 ns + 2 × 16.67 ns = 566 ns
Digital to Analog Converters (DACx)
Note:
These parameters are not subject to production test, but verified by design and/or characterization.
Parameter | Symbol | Values | Unit | Note/Test Condition | ||
|---|---|---|---|---|---|---|
Min. | Typ. | Max. | ||||
RMS supply current | IDD CC | – | 2.5 | 4 | mA | per active DAC channel, without load currents of DAC outputs |
Resolution | RES CC | – | 12 | – | Bit | |
Update rate | fURATE_A CC | – | 2 | Msample/s | data rate, where DAC can follow 64 LSB code jumps to ± 1LSB accuracy | |
Update rate | fURATE_F CC | – | 5 | Msample/s | data rate, where DAC can follow 64 LSB code jumps to ± 4 LSB accuracy | |
Settling time | tSETTLE CC | – | 1 | 2 | μs | at full scale jump, output voltage reaches target value ± 20 LSB |
Slew rate | SR CC | 2 | 5 | – | V/μs | |
Minimum output voltage | VOUT_MIN CC | – | 0.3 | – | V | code value unsigned: 000 ; signed: 800 |
Maximum output voltage | VOUT_MAX CC | – | 2.5 | – | V | code value unsigned: FFF ; signed: 7FF |
Integral non-linearity 31 | INL CC | -5.5 | ±2.5 | 5.5 | LSB | RL ≥ 5 kOhm, CL ≤ 50 pF |
Differential non-linearity | DNL CC | -2 | ±1 | 2 | LSB | RL ≥ 5 kOhm, CL ≤ 50 pF |
Offset error | EDOFF CC | ±20 | mV | |||
Gain error | EDG_IN CC | -5 | 0 | 5 | % | |
Startup time | tSTARTUP CC | – | 15 | 30 | µs | time from output enabling till code valid ±16 LSB |
3dB Bandwidth of Output Buffer | fC1 CC | 2.5 | 5 | – | MHz | verified by design |
Output sourcing current | IOUT_SOURCE CC | – | -30 | – | mA | |
Output sinking current | IOUT_SINK CC | – | 0.6 | – | mA | |
Output resistance | ROUT CC | – | 50 | – | Ohm | |
Load resistance | RL SR | 5 | – | – | kOhm | |
Load capacitance | CL SR | – | – | 50 | pF | |
Signal-to-Noise Ratio | SNR CC | – | 70 | – | dB | examination bandwidth < 25 kHz |
Total Harmonic Distortion | THD CC | – | 70 | – | dB | examination bandwidth < 25 kHz |
Power Supply Rejection Ratio | PSRR CC | – | 56 | – | dB | to VDDA verified by design |
Conversion Calculation
Unsigned:
DACxDATA = 4095 × (VOUT - VOUT_MIN) / (VOUT_MAX - VOUT_MIN)
Signed:
DACxDATA = 4095 × (VOUT - VOUT_MIN) / (VOUT_MAX - VOUT_MIN) - 2048
Figure 15. DAC Conversion Examples
Out-of-Range Comparator (ORC)
The Out-of-Range Comparator (ORC) triggers on analog input voltages ( VAIN ) above the analog reference
32
( VAREF ) on selected input pins (GxORCy) and generates a service request trigger (GxORCOUTy).
Note:
These parameters are not subject to production test, but verified by design and/or characterization.
The parameters in
Table 28
apply for the maximum reference voltage VAREF
VDDA + 50 mV.
Parameter | Symbol | Values | Unit | Note/Test Condition | ||
|---|---|---|---|---|---|---|
Min. | Typ. | Max. | ||||
DC Switching Level | VODC CC | 100 | 125 | 200 | mV | Ax-marking devices VAIN ≥ VAREF + VODC |
Hysteresis | VOHYS CC | 50 | – | VODC | mV | |
Detection Delay of a persistent Overvoltage | tODD CC | 55 | – | 450 | ns | Ax-marking devices VAIN ≥ VAREF + 200 mV |
45 | – | 105 | ns | VAIN ≥ VAREF + 400 mV | ||
Always detected Overvoltage Pulse | tOPDD CC | 440 | – | – | ns | Ax-marking devices VAIN ≥ VAREF + 200 mV |
90 | – | – | ns | VAIN ≥ VAREF + 400 mV | ||
Never detected Overvoltage Pulse | tOPDN CC | – | – | 49 | ns | Ax-marking devices VAIN ≥ VAREF + 200 mV |
– | – | 30 | ns | VAIN ≥ VAREF + 400 mV | ||
Release Delay | tORD CC | 65 | – | 105 | ns | VAIN ≤ VAREF |
Enable Delay | tOED CC | – | 100 | 200 | ns | |
Figure 16. GxORCOUTy Trigger Generation
Figure 17. ORC Detection Ranges
High Resolution PWM (HRPWM)
The following chapters describe the operating conditions, characteristics and timing requirements, for all the components inside the HRPWM module. Each description is given for just one sub unit, e.g., one CSG or one HRC.
All the timing information is related to the module clock, fhrpwm .
Note:
These parameters are not subject to production test, but verified by design and/or characterization.
HRC characteristics
CMP and 10-bit DAC characteristics
The
Table 30
summarizes the characteristics of the CSG unit.
The specified characteristics require that the setup of the HRPWM follows the initialization sequence as documented in the Reference Manual.
Parameter | Symbol | Values | Unit | Note/Test Condition | ||
|---|---|---|---|---|---|---|
Min. | Typ. | Max. | ||||
DAC Resolution | RES CC | 10 | bits | |||
DAC differential nonlinearity | DNL CC | -1 | – | 1.5 | LSB | Monotonic behavior See Figure 18 |
DAC integral nonlinearity | INL CC | -3 | – | 3 | LSB | See Figure 18 |
CSG Output Jitter | DCSG CC | – | – | 1 | clk | |
Bias startup time | tstart CC | – | – | 98 | us | |
Bias supply current | IDDbias CC | – | – | 400 | μA | |
CSGy startup time | tCSGS CC | – | – | 2 | μs | |
Input operation current 35 | IDDCIN CC | -10 | – | 33 | μA | See Figure 19 |
High Speed Mode | ||||||
DAC output voltage range | VDOUT CC | VSS | – | VDDP | V | |
DAC propagation delay - Full scale | tFShs CC | – | – | 80 | ns | See Figure 20 |
Input Selector propagation delay - Full scale | tDhs CC | – | – | 100 | ns | See Figure 20 |
Comparator bandwidth | tDhs CC | 20 | – | – | ns | |
DAC CLK frequency | fclk SR | – | – | 30 | MHz | |
Supply current | IDDhs CC | – | – | 940 | μA | |
Low Speed Mode | ||||||
DAC output voltage range | VDOUT CC | 0.1 × VDDP 36 | – | VDDP | V | |
DAC propagation delay - Full Scale | tFSls CC | – | – | 160 | ns | See Figure 20 |
Input Selector propagation delay - Full Scale | tDls CC | – | – | 200 | ns | See Figure 20 |
Comparator bandwidth | tDls CC | 20 | – | – | ns | |
DAC CLK frequency | fclk SR | – | – | 30 | MHz | |
Supply current | IDDls CC | – | – | 300 | µA | |
Figure 18. CSG DAC INL and DNL example

Figure 19. Input operation current

Figure 20. DAC and Input Selector Propagation Delay

Clocks
HRPWM DAC Conversion Clock
The DAC conversion clock can be generated internally or it can be controlled via a HRPWM module pin.
Parameter | Symbol | Values | Unit | Note/Test Condition | ||
|---|---|---|---|---|---|---|
Min. | Typ. | Max. | ||||
Frequency | fetrg SR | – | – | 30 38 | MHz | |
ON time | tonetrg SR | 2 Tccu | – | – | ns | |
OFF time | toffetrg SR | 2 Tccu 37 38 | – | – | ns | |
CSG External Clock
It is possible to select an external source, that can be used as a clock for the slope generation, HRPWMx.ECLKy. This clock is synchronized internally with the module clock and therefore the external clock needs to meet the criterion described on
Table 32
.
Parameter | Symbol | Values | Unit | Note/Test Condition | ||
|---|---|---|---|---|---|---|
Min. | Typ. | Max. | ||||
Frequency | feclk SR | – | – | fhrpwm /4 | MHz | |
ON time | toneclk SR | 2 Tccu | – | – | ns | |
OFF time | toffeclk SR | 2 Tccu 39 40 | – | – | ns | Only the rising edge is used |
Low Power Analog Comparator (LPAC)
The Low Power Analog Comparator (LPAC) triggers a wake-up event from Hibernate state or an interrupt trigger during normal operation. It does so by comparing VBAT or another external sensor voltage VLPS with a pre-programmed threshold voltage.
Note:
These parameters are not subject to production test, but verified by design and/or characterization.
Parameter | Symbol | Values | Unit | Note/Test Condition | ||
|---|---|---|---|---|---|---|
Min. | Typ. | Max. | ||||
VBAT supply voltage range for LPAC operation | VBAT SR | 2.1 | – | 3.6 | V | |
Sensor voltage range | VLPCS CC | 0 | – | 1.2 | V | |
Threshold step size | Vth CC | – | 18.75 | – | mV | |
Threshold trigger accuracy | Δ Vth CC | – | – | ±10 | % | for Vth > 0.4 V |
Conversion time | tLPCC CC | – | – | 250 | μs | |
Average current consumption over time | ILPCAC CC | – | – | 15 | μA | conversion interval 10 ms |
Current consumption during conversion | ILPCC CC | – | 150 | – | μA | 41 |
Die Temperature Sensor
The Die Temperature Sensor (DTS) measures the junction temperature TJ .
Note:
These parameters are not subject to production test, but verified by design and/or characterization.
Parameter | Symbol | Values | Unit | Note/Test Condition | ||
|---|---|---|---|---|---|---|
Min. | Typ. | Max. | ||||
Temperature sensor range | TSR SR | -40 | – | 150 | °C | |
Linearity Error (to the below defined formula) | Δ TLE CC | – | ±1 | – | °C | per Δ TJ ≤ 30°C |
Offset Error | Δ TOE CC | – | ±6 | – | °C | ΔTOE = TJ - TDTS VDDP ≤ 3.3 V42 |
Measurement time | tM CC | – | – | 100 | µs | |
Start-up time after reset inactive | tTSST SR | – | – | 10 | µs | |
The following formula calculates the temperature measured by the DTS in [°C] from the RESULT bit field of the DTSSTAT register.
Temperature TDTS = (RESULT - 605)/2.05 [°C]
This formula and the values defined in
Table 34
apply with the following calibration values:
DTSCON.BGTRIM = 8
H
DTSCON.REFTRIM = 4
H
USB Device Interface DC Characteristics
The Universal Serial Bus (USB) Interface is compliant to the USB Rev. 2.0 Specification. High-Speed Mode is not supported.
Note:
These parameters are not subject to production test, but verified by design and/or characterization.
Parameter | Symbol | Values | Unit | Note/Test Condition | ||
|---|---|---|---|---|---|---|
Min. | Typ. | Max. | ||||
Input low voltage | VIL SR | – | – | 0.8 | V | |
Input high voltage (driven) | VIH SR | 2.0 | – | – | V | |
Input high voltage (floating) 43 | VIHZ SR | 2.7 | – | 3.6 | V | |
Differential input sensitivity | VDIS CC | 0.2 | – | – | V | |
Differential common mode range | VCM CC | 0.8 | – | 2.5 | V | |
Output low voltage | VOL CC | 0.0 | – | 0.3 | V | 1.5 kOhm pull-up to 3.6 V |
Output high voltage | VOH CC | 2.8 | – | 3.6 | V | 15 kOhm pull-down to 0 V |
DP pull-up resistor (idle bus) | RPUI CC | 900 | – | 1575 | Ohm | |
DP pull-up resistor (upstream port receiving) | RPUA CC | 1 425 | – | 3090 | Ohm | |
Input impedance DP, DM | ZINP CC | 300 | – | – | kOhm | 0 V ≤ VIN ≤ VDDP |
Driver output resistance DP, DM | ZDRV CC | 28 | – | 44 | Ohm | |
Oscillator Pins
Note:
It is strongly recommended to measure the oscillation allowance (negative resistance) in the final target system (layout) to determine the optimal parameters for the oscillator operation. Please refer to the limits specified by the crystal or ceramic resonator supplier.
Note:
These parameters are not subject to production test, but verified by design and/or characterization.
The oscillator pins can be operated with an external crystal (see
Figure 21
) or in direct input mode (see
Figure 22
).
Figure 21. Oscillator in Crystal Mode
Figure 22. Oscillator in Direct Input Mode
Parameter | Symbol | Values | Unit | Note/Test Condition | ||
|---|---|---|---|---|---|---|
Min. | Typ. | Max. | ||||
Input frequency | fOSC SR | 4 | – | 40 | MHz | Direct Input Mode selected |
4 | – | 25 | MHz | External Crystal Mode selected | ||
Oscillator start-up time 44 | tOSCS CC | – | – | 10 | ms | |
Input voltage at XTAL1 | VIX SR | -0.5 | – | VDDP + 0.5 | V | |
Input amplitude (peak-to-peak) at XTAL1 45 46 | VPPX SR | 0.4 × VDDP | – | VDDP + 1.0 | V | |
Input high voltage at XTAL1 | VIHBX SR | 1.0 | – | VDDP + 0.5 | V | |
Input low voltage at XTAL1 47 | VILBX SR | -0.5 | – | 0.4 | V | |
Input leakage current at XTAL1 | IILX1 CC | -100 | – | 100 | nA | Oscillator power down 0 V ≤ VIX ≤ VDDP |
Parameter | Symbol | Values | Unit | Note/Test Condition | ||
|---|---|---|---|---|---|---|
Min. | Typ. | Max. | ||||
Input frequency | fOSC SR | – | 32.768 | – | kHz | |
Oscillator start-up time 48 | tOSCS CC | – | – | 5 | s | |
Input voltage at RTC_XTAL1 | VIX SR | -0.3 | – | VBAT + 0.3 | V | |
Input amplitude (peak-to-peak) at RTC_XTAL1 49 51 | VPPX SR | 0.4 | – | – | V | |
Input high voltage at RTC_XTAL1 | VIHBX SR | 0.6 × VBAT | – | VBAT + 0.3 | V | |
Input low voltage at RTC_XTAL1 52 | VILBX SR | -0.3 | – | 0.36 × VBAT | V | |
Input Hysteresis for RTC_XTAL1 50 53 | VHYSX CC | 0.1 × VBAT | – | V | 3.0 V ≤ VBAT < 3.6 V | |
0.03 × VBAT | – | V | VBAT < 3.0 V | |||
Input leakage current at RTC_XTAL1 | IILX1 CC | -100 | – | 100 | nA | Oscillator power down 0 V ≤ VIX ≤ VBAT |
Power Supply Current
The total power supply current defined below consists of a leakage and a switching component.
Application relevant values are typically lower than those given in the following tables, and depend on the customer's system operating conditions (e.g. thermal connection or used application configurations).
Note:
These parameters are not subject to production test, but verified by design and/or characterization.
If not stated otherwise, the operating conditions for the parameters in the following table are:
VDDP = 3.3 V, TA = 25°C
Parameter | Symbol | Values | Unit | Note/Test Condition | ||
|---|---|---|---|---|---|---|
Min. | Typ. | Max. | ||||
Active supply current 54 Peripherals enabled Frequency: fCPU / fPERIPH / fCCU in MHz | IDDPA CC | – | 80 | – | mA | 80/80/80 |
– | 75 | – | 80/40/40 | |||
– | 73 | – | 40/40/80 | |||
– | 59 | – | 24/24/24 | |||
– | 50 | – | 1/1/1 | |||
Active supply current Code execution from RAM Flash in Sleep mode Frequency: fCPU / fPERIPH / fCCU in MHz | IDDPA CC | – | 24 | – | mA | 80/80/80 |
– | 19 | – | 80/40/40 | |||
Active supply current 55 Peripherals disabled Frequency: fCPU / fPERIPH in MHz | IDDPA CC | – | 63 | – | mA | 80/80/80 |
– | 62 | – | 80/40/40 | |||
– | 60 | – | 40/40/80 | |||
– | 54 | – | 24/24/24 | |||
– | 50 | – | 1/1/1 | |||
Sleep supply current 56 Peripherals enabled Frequency: fCPU / fPERIPH / fCCU in MHz | IDDPS CC | – | 76 | – | mA | 80/80/80 |
– | 73 | – | 80/40/40 | |||
– | 70 | – | 40/40/80 | |||
– | 56 | – | 24/24/24 | |||
– | 47 | – | 1/1/1 | |||
fCPU / fPERIPH / fCCU in kHz | – | 46 | – | 100/100/100 | ||
Sleep supply current 57 Peripherals disabled Frequency: fCPU / fPERIPH / fCCU in MHz | IDDPS CC | – | 59 | – | mA | 80/80/80 |
– | 58 | – | 80/40/40 | |||
– | 57 | – | 40/40/80 | |||
– | 51 | – | 24/24/24 | |||
– | 46 | – | 1/1/1 | |||
fCPU / fPERIPH / fCCU in kHz | – | 46 | – | 100/100/100 | ||
Deep Sleep supply current 58 Flash in Sleep mode Frequency: fCPU / fPERIPH / fCCU in MHz | IDDPD CC | – | 6.9 | – | mA | 24/24/24 |
– | 4.3 | – | 4/4/4 | |||
– | 3.8 | – | 1/1/1 | |||
fCPU / fPERIPH / fCCU in kHz | – | 4.5 | – | 100/100/100 59 | ||
Hibernate supply current RTC on 60 | IDDPH CC | – | 10.8 | – | µA | VBAT = 3.3 V |
– | 8.0 | – | VBAT = 2.4 V | |||
– | 6.8 | – | VBAT = 2.0 V | |||
Hibernate supply current RTC off 61 | IDDPH CC | – | 10.3 | – | µA | VBAT = 3.3 V |
– | 7.5 | – | VBAT = 2.4 V | |||
– | 6.3 | – | VBAT = 2.0 V | |||
Worst case active supply current 62 | IDDPA CC | – | – | 140 63 | mA | VDDP = 3.6 V, TJ = 150°C |
VDDA power supply current | IDDA CC | – | – | – 64 | mA | |
IDDP current at Low | IDDP_PORST CC | – | – | 24 | mA | VDDP = 3.6 V, TJ = 150°C |
Power Dissipation | PDISS CC | – | – | 1 | W | VDDP = 3.6 V, TJ = 150°C |
Wake-up time from Sleep to Active mode | tSSA CC | – | 6 | – | cycles | |
Wake-up time from Deep Sleep to Active mode | – | – | – | ms | Defined by the wake-up of the Flash module, see Section 3.2.11 | |
Wake-up time from Hibernate mode | – | – | – | ms | Wake-up via power-on reset event, see Section 3.3.2 | |
Peripheral Idle Currents
Test conditions:
fsys and derived clocks at 80 MHz
- VDDP = 3.3 V, Ta = 25°C
all peripherals are held in reset (see the PRSTAT registers in the Reset Control Unit of the SCU)
the peripheral clocks are disabled (see CGATSTAT registers in the Clock Control Unit of the SCU
no I/O activity
the given values are a result of differential measurements with asserted and deasserted peripheral reset and enabled clock of the peripheral under test
The tested peripheral is left in the state after the peripheral reset is deasserted, no further initialisation or configuration is done. For example no timer is running in the CCUs, no communication active in the USICs, etc.
Parameter | Symbol | Values | Unit | Note/Test Condition | ||
|---|---|---|---|---|---|---|
Min. | Typ. | Max. | ||||
PORTS USB FCE WDT POSIFx | IPER CC | – | ≤ 0.3 | – | mA | |
MultiCAN ERU LEDTSCU0 CCU4x 65 CCU8x 65 | – | ≤ 1.0 | – | |||
DAC (digital) | – | 1.3 | – | |||
USICx | – | 3.0 | – | |||
VADC (digital) 66 | – | 4.5 | – | |||
DMAx | – | 6.0 | – | |||
Flash Memory Parameters
Note:
These parameters are not subject to production test, but verified by design and/or characterization.
Parameter | Symbol | Values | Unit | Note/Test Condition | ||
|---|---|---|---|---|---|---|
Min. | Typ. | Max. | ||||
Erase Time per 256 Kbyte Sector | tERP CC | – | 5 | 5.5 | s | |
Erase Time per 64 Kbyte Sector | tERP CC | – | 1.2 | 1.4 | s | |
Erase Time per 16 Kbyte Logical Sector | tERP CC | – | 0.3 | 0.4 | s | |
Program time per page 67 | tPRP CC | – | 5.5 | 11 | ms | |
Erase suspend delay | tFL_ErSusp CC | – | – | 15 | ms | |
Wait time after margin change | tFL_MarginDel CC | 10 | – | – | µs | |
Wake-up time | tWU CC | – | – | 270 | µs | |
Read access time | ta CC | 20 | – | – | ns | For operation with 1/ fCPU < ta wait states must be configured 68 |
Data Retention Time, Physical Sector | tRET CC | 20 | – | – | years | Max. 1000 erase/program cycles |
tRETL CC | 20 | – | – | years | Max. 100 erase/program cycles | |
tRTU CC | 20 | – | – | years | Max. 4 erase/program cycles per UCB | |
Endurance on 64 Kbyte Physical Sector PS4 | NEPS4 CC | 10000 | – | – | cycles | BA-marking devices only! Cycling distributed over life time 71 |
AC Parameters
Testing Waveforms
Figure 23. Rise/Fall Time Parameters
Figure 24. Testing Waveform, Output Delay
Figure 25. Testing Waveform, Output High Impedance
Power-Up and Supply Monitoring
is always asserted when VDDP and/or VDDC violate the respective thresholds.
Note:
These parameters are not subject to production test, but verified by design and/or characterization.
Figure 26. Circuit
Parameter | Symbol | Values | Unit | Note/Test Condition | ||
|---|---|---|---|---|---|---|
Min. | Typ. | Max. | ||||
Digital supply voltage reset threshold | VPOR CC | 2.79 72 | – | 3.05 73 | V | 74 |
Core supply voltage reset threshold | VPV CC | – | – | 1.17 | V | |
VDDP voltage to ensure defined pad states | VDDPPA CC | – | 1.0 | – | V | |
rise time | tPR SR | – | – | 2 | μs | |
Startup time from power-on reset with code execution from Flash | tSSW CC | – | 2.5 | 3.5 | ms | Time to the first user code instruction |
VDDC ramp up time | tVCR CC | – | 550 | – | μs | Ramp up after power-on or after a reset triggered by a violation of VPOR or VPV |
Figure 27.
Power-Up Behavior
Power Sequencing
While starting up and shutting down as well as when switching power modes of the system it is important to limit the current load steps. A typical cause for such load steps is changing the CPU frequency fCPU . Load steps exceeding the below defined values may cause a power on reset triggered by the supply monitor.
Note:
These parameters are not subject to production test, but verified by design and/or characterization.
Parameter | Symbol | Values | Unit | Note/Test Condition | ||
|---|---|---|---|---|---|---|
Min. | Typ. | Max. | ||||
Positive Load Step Current | Δ IPLS SR | – | – | 50 | mA | Load increase on VDDP Δ t ≤ 10 ns |
Negative Load Step Current | Δ INLS SR | – | – | 150 | mA | Load decrease on VDDP Δ t ≤ 10 ns |
VDDC Voltage Over-/Undershoot from Load Step | Δ VLS CC | – | – | ±100 | mV | For maximum positive or negative load step |
Positive Load Step Settling Time | tPLSS SR | 50 | – | – | μs | |
Negative Load Step Settling Time | tNLSS SR | 100 | – | – | μs | |
External Buffer Capacitor on VDDC | CEXT SR | 3 | 4.7 | 6 | μF | In addition C = 100 nF capacitor on each VDDC pin |
Positive Load Step Examples
System assumptions:
fCPU = fSYS, target frequency fCPU = 80 MHz, main PLL fVCO = 480 MHz, stepping done by K2 divider, tPLSS between individual steps:
24 MHz - 48 MHz - 80 MHz (K2 steps 20 - 10 - 6)
24 MHz - 60 MHz - 80 MHz (K2 steps 20 - 8 - 6)
Phase Locked Loop (PLL) Characteristics
Main and USB PLL
Parameter | Symbol | Values | Unit | Note/Test Condition | ||
|---|---|---|---|---|---|---|
Min. | Typ. | Max. | ||||
Accumulated Jitter | DP CC | – | – | ±5 | ns | accumulated over 300 cycles fSYS = 80 MHz |
Duty Cycle 75 | DDC CC | 46 | 50 | 54 | % | Low pulse to total period, assuming an ideal input clock source |
PLL base frequency | fPLLBASE CC | 30 | – | 140 | MHz | |
VCO input frequency | fREF CC | 4 | – | 16 | MHz | |
VCO frequency range | fVCO CC | 260 | – | 520 | MHz | |
PLL lock-in time | tL CC | – | – | 400 | μs | |
Internal Clock Source Characteristics
Fast Internal Clock Source
Parameter | Symbol | Values | Unit | Note/Test Condition | ||
|---|---|---|---|---|---|---|
Min. | Typ. | Max. | ||||
Nominal frequency | fOFINC CC | – | 36.5 | – | MHz | not calibrated |
– | 24 | – | MHz | calibrated | ||
Accuracy | Δ fOFI CC | -0.5 | – | 0.5 | % | automatic calibration 76 77 |
-15 | – | 15 | % | factory calibration, VDDP = 3.3 V | ||
-25 | – | 25 | % | no calibration, VDDP = 3.3 V | ||
-7 | – | 7 | % | Variation over voltage range 78 3.13 V ≤ VDDP ≤ 3.63 V | ||
Start-up time | tOFIS CC | – | 50 | – | μs | |
Slow Internal Clock Source
Parameter | Symbol | Values | Unit | Note/Test Condition | ||
|---|---|---|---|---|---|---|
Min. | Typ. | Max. | ||||
Nominal frequency | fOSI CC | – | 32.768 | – | kHz | |
Accuracy | ΔfOSI CC | -4 | – | 4 | % | VBAT = const. 0°C ≤ TA ≤ 85°C |
-5 | – | 5 | % | VBAT = const. TA < 0°C or TA > 85°C | ||
-5 | – | 5 | % | 2.4 V ≤ VBAT, TA = 25°C | ||
-10 | – | 10 | % | 1.95 V ≤ VBAT < 2.4 V, TA = 25°C | ||
Start-up time | tOSIS CC | – | 50 | – | μs | |
JTAG Interface Timing
The following parameters are applicable for communication through the JTAG debug interface. The JTAG module is fully compliant with IEEE1149.1-2000.
Note:
These parameters are not subject to production test, but verified by design and/or characterization.
Note:
Operating conditions apply.
Parameter | Symbol | Values | Unit | Note/Test Condition | ||
|---|---|---|---|---|---|---|
Min. | Typ. | Max. | ||||
TCK clock period | t1 SR | 30 | – | – | ns | For CL = 20 pF on TDO |
TCK clock period | t1 SR | 40 | – | – | ns | For CL = 50 pF on TDO |
TCK high time | t2 SR | 10 | – | – | ns | |
TCK low time | t3 SR | 10 | – | – | ns | |
TCK clock rise time | t4 SR | – | – | 4 | ns | |
TCK clock fall time | t5 SR | – | – | 4 | ns | |
TDI/TMS setup to TCK rising edge | t6 SR | 6 | – | – | ns | |
TDI/TMS hold after TCK rising edge | t7 SR | 6 | – | – | ns | |
TDO valid after TCK falling edge (propagation delay) | t8 CC | – | – | 17 | ns | CL = 50 pF |
3 | – | – | ns | CL = 20 pF | ||
TDO hold after TCK falling edge 79 | t18 CC | 2 | – | – | ns | |
TDO high imped. to valid from TCK falling edge 79 80 | t9 CC | – | – | 14 | ns | CL = 50 pF |
TDO valid to high imped. from TCK falling edge 79 | t10 CC | – | – | 13.5 | ns | CL = 50 pF |
Figure 28. Test Clock Timing (TCK)
Figure 29. JTAG Timing
Serial Wire Debug Port (SW-DP) Timing
The following parameters are applicable for communication through the SW-DP interface.
Note:
These parameters are not subject to production test, but verified by design and/or characterization.
Note:
Operating conditions apply.
Parameter | Symbol | Values | Unit | Note/Test Condition | ||
|---|---|---|---|---|---|---|
Min. | Typ. | Max. | ||||
SWDCLK clock period | tSC SR | 25 | – | – | ns | CL = 30 pF |
40 | – | – | ns | CL = 50 pF | ||
SWDCLK high time | t1 SR | 10 | – | 500000 | ns | |
SWDCLK low time | t2 SR | 10 | – | 500000 | ns | |
SWDIO input setup to SWDCLK rising edge | t3 SR | 6 | – | – | ns | |
SWDIO input hold after SWDCLK rising edge | t4 SR | 6 | – | – | ns | |
SWDIO output valid time after SWDCLK rising edge | t5 CC | – | – | 17 | ns | CL = 50 pF |
– | – | 13 | ns | CL = 30 pF | ||
SWDIO output hold time from SWDCLK rising edge | t6 CC | 3 | – | – | ns | |
Figure 30. SWD Timing
Peripheral Timing
Note:
These parameters are not subject to production test, but verified by design and/or characterization.
Note:
Operating conditions apply.
Synchronous Serial Interface (USIC SSC) Timing
The following parameters are applicable for a USIC channel operated in SSC mode.
Note:
Operating Conditions apply.
Parameter | Symbol | Values | Unit | Note/Test Condition | ||
|---|---|---|---|---|---|---|
Min. | Typ. | Max. | ||||
SCLKOUT master clock period | tCLK CC | 40 | – | – | ns | |
Slave select output SELO active to first SCLKOUT transmit edge | t1 CC | tSYS - 6.5 | – | – | ns | |
Slave select output SELO inactive after last SCLKOUT receive edge | t2 CC | tSYS - 8.581 | – | – | ns | |
Data output DOUT[3:0] valid time | t3 CC | -6 | – | 8 | ns | |
Receive data input DX0/DX[5:3] setup time to SCLKOUT receive edge | t4 SR | 23 | – | – | ns | |
Data input DX0/DX[5:3] hold time from SCLKOUT receive edge | t5 SR | 1 | – | – | ns | |
Parameter | Symbol | Values | Unit | Note/Test Condition | ||
|---|---|---|---|---|---|---|
Min. | Typ. | Max. | ||||
DX1 slave clock period | tCLK SR | 66.6 | – | – | ns | |
Select input DX2 setup to first clock input DX1 transmit edge | t10 SR | 3 | – | – | ns | |
Select input DX2 hold after last clock input DX1 receive edge 82 | t11 SR | 4 | – | – | ns | |
Receive data input DX0/DX[5:3] setup time to shift clock receive edge 82 | t12 SR | 6 | – | – | ns | |
Data input DX0/DX[5:3] hold time from clock input DX1 receive edge 82 | t13 SR | 4 | – | – | ns | |
Data output DOUT[3:0] valid time | t14 CC | 0 | – | 24 | ns | |
Figure 31. USIC - SSC Master/Slave Mode Timing
Note:
This timing diagram shows a standard configuration, for which the slave select signal is low-active, and the serial clock signal is not shifted and not inverted.
Inter-IC (IIC) Interface Timing
The following parameters are applicable for a USIC channel operated in IIC mode.
Note:
Operating Conditions apply.
Parameter | Symbol | Values | Unit | Note/Test Condition | ||
|---|---|---|---|---|---|---|
Min. | Typ. | Max. | ||||
Fall time of both SDA and SCL | t1 CC/SR | – | – | 300 | ns | |
Rise time of both SDA and SCL | t2 CC/SR | – | – | 1000 | ns | |
Data hold time | t3 CC/SR | 0 | – | – | µs | |
Data set-up time | t4 CC/SR | 250 | – | – | ns | |
LOW period of SCL clock | t5 CC/SR | 4.7 | – | – | µs | |
HIGH period of SCL clock | t6 CC/SR | 4.0 | – | – | µs | |
Hold time for (repeated) START condition | t7 CC/SR | 4.0 | – | – | µs | |
Set-up time for repeated START condition | t8 CC/SR | 4.7 | – | – | µs | |
Set-up time for STOP condition | t9 CC/SR | 4.0 | – | – | µs | |
Bus free time between a STOP and START condition | t10 CC/SR | 4.7 | – | – | µs | |
Capacitive load for each bus line | Cb SR | – | – | 400 | pF | |
Parameter | Symbol | Values | Unit | Note/Test Condition | ||
|---|---|---|---|---|---|---|
Min. | Typ. | Max. | ||||
Fall time of both SDA and SCL | t1 CC/SR | 20 + 0.1* Cb | – | 300 | ns | |
Rise time of both SDA and SCL | t2 CC/SR | 20 + 0.1* Cb 85 | – | 300 | ns | |
Data hold time | t3 CC/SR | 0 | – | – | µs | |
Data set-up time | t4 CC/SR | 100 | – | – | ns | |
LOW period of SCL clock | t5 CC/SR | 1.3 | – | – | µs | |
HIGH period of SCL clock | t6 CC/SR | 0.6 | – | – | µs | |
Hold time for (repeated) START condition | t7 CC/SR | 0.6 | – | – | µs | |
Set-up time for repeated START condition | t8 CC/SR | 0.6 | – | – | µs | |
Set-up time for STOP condition | t9 CC/SR | 0.6 | – | – | µs | |
Bus free time between a STOP and START condition | t10 CC/SR | 1.3 | – | – | µs | |
Capacitive load for each bus line | Cb SR | – | – | 400 | pF | |
Figure 32. USIC IIC Stand and Fast Mode Timing
Inter-IC Sound (IIS) Interface Timing
The following parameters are applicable for a USIC channel operated in IIS mode.
Note:,
Operating Conditions apply.
Parameter | Symbol | Values | Unit | Note/Test Condition | ||
|---|---|---|---|---|---|---|
Min. | Typ. | Max. | ||||
Clock period | t1 CC | 33.3 | – | – | ns | |
Clock high time | t2 CC | 0.35 x t1min | – | – | ns | |
Clock low time | t3 CC | 0.35 x t1min | – | – | ns | |
Hold time | t4 CC | 0 | – | – | ns | |
Clock rise time | t5 CC | – | – | 0.15 x t1min | ns | |
Figure 33. USIC IIS Master Transmitter Timing
Parameter | Symbol | Values | Unit | Note/Test Condition | ||
|---|---|---|---|---|---|---|
Min. | Typ. | Max. | ||||
Clock period | t6 SR | 66.6 | – | – | ns | |
Clock high time | t7 SR | 0.35 x t6min | – | – | ns | |
Clock low time | t8 SR | 0.35 x t6min | – | – | ns | |
Set-up time | t9 SR | 0.2 x t6min | – | – | ns | |
Hold time | t10 SR | 0 | – | – | ns | |
Figure 34. USIC IIS Slave Receiver Timing
USB Interface Characteristics
The Universal Serial Bus (USB) Interface is compliant to the USB Rev. 2.0 Specification. High-Speed Mode is not supported.
Note:
These parameters are not subject to production test, but verified by design and/or characterization.
Parameter | Symbol | Values | Unit | Note/Test Condition | ||
|---|---|---|---|---|---|---|
Min. | Typ. | Max. | ||||
Rise time | tR CC | 4 | – | 20 | ns | CL = 50 pF |
Fall time | tF CC | 4 | – | 20 | ns | CL = 50 pF |
Rise/Fall time matching | tR / tF CC | 90 | – | 111.11 | % | CL = 50 pF |
Crossover voltage | VCRS CC | 1.3 | – | 2.0 | V | CL = 50 pF |
Figure 35. USB Signal Timing
Package and Reliability
The XMC4[12]00 is a member of the XMC4000 Family of microcontrollers. It is also compatible to a certain extent with members of similar families or subfamilies.
Each package is optimized for the device it houses. Therefore, there may be slight differences between packages of the same pin-count but for different device types. In particular, the size of the Exposed Die Pad may vary.
If different device types are considered or planned for an application, it must be ensured that the board layout fits all packages under consideration.
Package Parameters
provides the thermal characteristics of the packages used in XMC4[12]00. The availability of different packages for different markings is listed in
Table 2
.
Parameter | Symbol | Limit Values | Unit | Package Types | |
|---|---|---|---|---|---|
Min. | Max. | ||||
Exposed Die Pad Dimensions | Ex × Ey CC | – | 5.7 × 5.7 | mm | PG-TQFP-64-19 PG-TQFP-64-21 |
– | 5.2 × 5.2 | mm | PG-VQFN-48-71 | ||
Thermal resistance Junction-Ambient | RΘJA CC | – | 23.4 | K/W | PG-TQFP-64-19 PG-TQFP-64-21 86 |
– | 34.8 | K/W | PG-VQFN-48-71 86 | ||
Package thickness 1.0 ±0.05 mm | – | – | 1.2 Max | mm | PG-TQFP-64-19 PG-TQFP-64-21 |
Note:
For electrical reasons, it is required to connect the exposed pad to the board ground VSS, independent of EMC and thermal requirements.
Thermal Considerations
When operating the XMC4[12]00 in a system, the total heat generated in the chip must be dissipated to the ambient environment to prevent overheating and the resulting thermal damage.
The maximum heat that can be dissipated depends on the package and its integration into the target board. The “Thermal resistance RΘJA ” quantifies these parameters. The power dissipation must be limited so that the average junction temperature does not exceed 150°C.
The difference between junction temperature and ambient temperature is determined by
Δ T = ( PINT + PIOSTAT + PIODYN ) × RΘJA
The internal power consumption is defined as
PINT = VDDP × IDDP (switching current and leakage current).
The static external power consumption caused by the output drivers is defined as
PIOSTAT = Σ((VDDP - VOH) × IOH) + Σ(VOL × IOL)
The dynamic external power consumption caused by the output drivers ( PIODYN ) depends on the capacitive load connected to the respective pins and their switching frequencies.
If the total power dissipation for a given system configuration exceeds the defined limit, countermeasures must be taken to ensure proper system operation:
Reduce VDDP , if possible in the system
Reduce the system frequency
Reduce the number of output pins
Reduce the load on active output drivers
Package Outlines
The availability of different packages for different devices types is listed in
Table 1
, specific packages for different device markings are listed in
Table 2
.
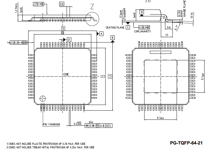
Figure 36. PG-TQFP-64-19 (Plastic Green Thin Profile Quad Flat Package)

Figure 37. PG-TQFP-64-21 (Plastic Green Thin Profile Quad Flat Package)

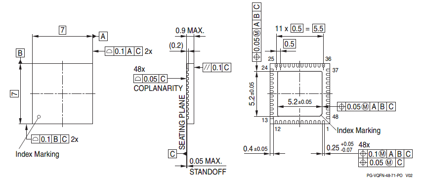
Figure 38. PG-VQFN-48-71 (Plastic Green Very Thin Profile Flat Non Leaded Package)

All dimensions in mm.
You can find complete information about Infineon packages, packing and marking in our Infineon Internet Page “Packages”:
Quality Declarations
The qualification of the XMC4[12]00 is executed according to the JEDEC standard JESD47H.
Note:
For automotive applications refer to the Infineon automotive microcontrollers.
Parameter | Symbol | Values | Unit | Note/Test Condition | ||
|---|---|---|---|---|---|---|
Min. | Typ. | Max. | ||||
Operation lifetime | tOP CC | 20 | – | – | a | TJ ≤ 109°C, device permanent on |
ESD susceptibility according to Human Body Model (HBM) | VHBM SR | – | – | 2000 | V | EIA/JESD22-A114-B |
ESD susceptibility according to Charged Device Model (CDM) | VCDM SR | – | – | 500 | V | Conforming to JESD22-C101-C |
Moisture sensitivity level | MSL CC | – | – | 3 | – | JEDEC J-STD-020D |
Soldering temperature | TSDR SR | – | – | 260 | °C | Profile according to JEDEC J-STD-020D |
Revision history
Document revision | Date | Description of changes |
|---|---|---|
V1.5 | 2023-04-01 | Deleted package details: PG-LQFP-64-19 and PG-VQFN-48-53. Added package details: PG-TQFP-64-21. Deleted Table 56 and 57. Added package diagram: PG-TQFP-64-21. Deleted package diagram: PG-LQFP-64-19. |
V1.6 | 2024-11-28 | Template update; no content update |
1
x is a placeholder for the supported temperature range.
2
y is a placeholder for the QFP package variant, LQFP or TQFP depending on the stepping, see
Section 1.3
.
3
x is a placeholder for the supported temperature range.
4
x is a placeholder for the supported temperature range.
5
Some pins in a package may be connected to more than one channel. For the detailed mapping see the Port I/O Function table.
9
Voltage overshoot to 4.0 V is permissible at Power-Up and
low, provided the pulse duration is less than 100 μs and the cumulated sum of the pulses does not exceed 1 h over lifetime.
11
To start the hibernate domain it is required that VBAT ≥ 2.1 V, for a reliable start of the oscillation of RTC_XTAL in crystal mode it is required that VBAT ≥ 3.0 V.
13
Current required to override the pull device with the opposite logic level (“force current”). With active pull device, at load currents between force and keep current the input state is undefined.
14
Load current at which the pull device still maintains the valid logic level (“keep current”). With active pull device, at load currents between force and keep current the input state is undefined.
15
Hysteresis is implemented to avoid metastable states and switching due to internal ground bounce. It can not be guaranteed that it suppresses switching due to external system noise.
16
POD = Pin Out Driver
17
POD = Pin Out Driver
18
Hysteresis is implemented to avoid metastable states and switching due to internal ground bounce. It can not be guaranteed that it suppresses switching due to external system noise.
19
Applies to AINx, when used as alternate reference input.
20
A running conversion may become imprecise in case the normal conditions are violated (voltage overshoot).
21
If the analog reference voltage is below VDDA , then the ADC converter errors increase. If the reference voltage is reduced by the factor k (k<1), TUE, DNL, INL, Gain, and Offset errors increase also by the factor 1/k.
22
The leakage current definition is a continuous function, as shown in figure ADCx Analog Inputs Leakage. The numerical values defined determine the characteristic points of the given continuous linear approximation - they do not define step function (see
Figure 14
).
23
The sampling capacity of the conversion C-network is pre-charged to VAREF /2 before the sampling moment. Because of the parasitic elements, the voltage measured at AINx can deviate from VAREF /2.
24
This represents an equivalent switched capacitance. This capacitance is not switched to the reference voltage at once. Instead, smaller capacitances are successively switched to the reference voltage.
25
For 10-bit conversions, the errors are reduced to 1/4; for 8-bit conversions, the errors are reduced to 1/16. Never less than ±1 LSB.
26
The sum of DNL/INL/GAIN/OFF errors does not exceed the related total unadjusted error TUE.
27
This parameter is valid for soldered devices and requires careful analog board design.
28
Resulting worst case combined error is arithmetic combination of TUE and ENRMS .
29
Value is defined for one sigma Gauss distribution.
30
The resulting current for a conversion can be calculated with IAREF = QCONV / tc.
The fastest 12-bit post-calibrated conversion of tc = 566 ns results in a typical average current of IAREF = 53 μA.
31
According to best straight line method.
32
Always the standard VADC reference, alternate references do not apply to the ORC.
33
The step size for clock frequencies equal to 180, 120 and 80 MHz is 150 ps.
34
The step size for clock frequencies different from 180, 120 and 80 MHz but within the range from 180 to 64 MHz can be between 118 to 180 ps (fixed over process and operating conditions)
35
Typical input resistance RCIN = 100 kOhm.
36
The INL error increases for DAC output voltages below this limit.
37
50% duty cycle is not obligatory
38
Only valid if the signal was not previously synchronized/generated with the fccu clock (or a synchronous clock)
39
50% duty cycle is not obligatory
40
Only valid if the signal was not previously synchronized/generated with the fccu clock (or a synchronous clock)
41
Single channel conversion, measuring VBAT = 3.3 V, 8 cycles settling time
42
At VDDP_max = 3.63 V the typical offset error increases by an additional ΔTOE = ±1°C.
43
Measured at A-connector with 1.5 kOhm ± 5% to 3.3 V ± 0.3 V connected to USB_DP or USB_DM and at B-connector with 15 kOhm ± 5% to ground connected to USB_DP and USB_DM.
44
tOSCS is defined from the moment the oscillator is enabled with SCU_OSCHPCTRL.MODE until the oscillations reach an amplitude at XTAL1 of 0.4 * VDDP .
45
The external oscillator circuitry must be optimized by the customer and checked for negative resistance and amplitude as recommended and specified by crystal suppliers.
46
If the shaper unit is enabled and not bypassed.
47
If the shaper unit is bypassed, dedicated DC-thresholds have to be met.
48
tOSCS is defined from the moment the oscillator is enabled by the user with SCU_OSCULCTRL.MODE until the oscillations reach an amplitude at RTC_XTAL1 of 400 mV.
49
The external oscillator circuitry must be optimized by the customer and checked for negative resistance and amplitude as recommended and specified by crystal suppliers.
50
For a reliable start of the oscillation in crystal mode it is required that VBAT ≥ 3.0 V. A running oscillation is maintained across the full VBAT voltage range.
51
If the shaper unit is enabled and not bypassed.
52
If the shaper unit is bypassed, dedicated DC-thresholds have to be met.
53
Hysteresis is implemented to avoid metastable states and switching due to internal ground bounce. It can not be guaranteed that it suppresses switching due to external system noise.
54
CPU executing code from Flash, all peripherals idle.
55
CPU executing code from Flash. USB and CCU clock off.
56
CPU in sleep, all peripherals idle, Flash in Active mode.
57
CPU in sleep, Flash in Active mode.
58
CPU in sleep, peripherals disabled, after wake-up code execution from RAM.
59
To wake-up the Flash from its Sleep mode, fCPU ≥ 1 MHz is required.
60
OSC_ULP operating with external crystal on RTC_XTAL.
61
OSC_ULP off, Hibernate domain operating with OSC_SI clock.
62
Test Power Loop: fSYS = 80 MHz, CPU executing benchmark code from Flash, all CCUs in 100 kHz timer mode, all ADC groups in continuous conversion mode, USICs as SPI in internal loop-back mode, CAN in 500 kHz internal loop-back mode, interrupt triggered DMA block transfers to parity protected RAMs and FCE, DTS measurements and FPU calculations.
The power consumption of each customer application will most probably be lower than this value, but must be evaluated separately.
63
IDDP decreases typically by 3.5 mA when fSYS decreases by 10 MHz, at constant TJ .
64
Sum of currents of all active converters (ADC and DAC).
65
Enabling the fCCU clock for the POSIFx/CCU4x/CCU8x modules adds approximately IPER = 1.8 mA, disregarding which and how many of those peripherals are enabled.
66
The current consumption of the analog components are given in the dedicated Datasheet sections of the respective peripheral.
67
In case the Program Verify feature detects weak bits, these bits will be programmed once more. The reprogramming takes an additional time of 5.5 ms.
68
The following formula applies to the wait state configuration: FCON.WSPFLASH × (1/ fCPU ) ≥ ta
69
Storage and inactive time included.
70
Values given are valid for an average weighted junction temperature of TJ = 110°C.
71
Only valid with robust EEPROM emulation algorithm, equally cycling the logical sectors. For more details see the Reference Manual.
72
Minimum threshold for reset assertion.
73
Maximum threshold for reset deassertion.
74
The VDDP monitoring has a typical hysteresis of VPORHYS = 180 mV.
75
50% for even K2 divider values, 50±(10/K2) for odd K2 divider values.
76
Error in addition to the accuracy of the reference clock.
77
Automatic calibration compensates variations of the temperature and in the VDDP supply voltage.
78
Deviations from the nominal VDDP voltage induce an additional error to the uncalibrated and/or factory calibrated oscillator frequency.
79
The falling edge on TCK is used to generate the TDO timing.
80
The setup time for TDO is given implicitly by the TCK cycle time.
81
tSYS = 1/ fPB
82
These input timing are valid for asynchronous input signal handling of slave select input, shift clock input, and receive data input (bits DXnCR.DSEN = 0).
83
Due to the wired-AND configuration of an IIC bus system, the port drivers of the SCL and SDA signal lines need to operate in open-drain mode. The high level on these lines must be held by an external pull-up device, approximately 10 kOhm for operation at 100 kbit/s, approximately 2 kOhm for operation at 400 kbit/s.
84
Due to the wired-AND configuration of an IIC bus system, the port drivers of the SCL and SDA signal lines need to operate in open-drain mode. The high level on these lines must be held by an external pull-up device, approximately 10 kOhm for operation at 100 kbit/s, approximately 2 kOhm for operation at 400 kbit/s.
85
Cb refers to the total capacitance of one bus line in pF.
86
Device mounted on a 4-layer JEDEC board (JESD 51-7) with thermal vias; exposed pad soldered.